Poštovani klijenti, kompanija Agromarket D.O.O 16.02. I 17.02. neće vršiti distribuciju robe zbog državnog praznika.
- Agromarket
- Rezervni delovi
- Delovi za baštenske alate
- Delovi uređaja
- Delovi duvača i usisivača
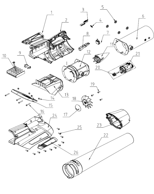
- Akumulatorski duvač za lišće ZEN BL 5040
Izaberite rezervni deo klikom na mapu
Izaberite potreban rezervni deo klikom na listu
DEKORATIVNI PANEL - LEVI
RUKOHVAT LEVI
PREKIDAC TURBO
GUMENI PRSTEN
CEV ZADNJA
PREKIDAC ZA KONTROLU BRZINE
OKIDAC
PCB - KONTROLER-ŠTAMPANA PLOČA
USMERIVAC
OBLOGA MOTORA
USMERIVAC VAZDUHA
POKLOPAC ZADNJI
DRZAC VENTILATORA
DC MOTOR
PREDNJA CEV DUVACA
KONUSNA CEV- NOSAC PREDNJE CEVI
RUKOHVAT DESNI
NOZIC ZA SILK
DEKORATIVNI PANEL - DESNI
Rb
Šifra
Kategorija
Naziv
1
046326 /
Delovi trimera
NOZIC ZA SILK
Detaljnije
2
085191 /
Delovi - duvači i usisivači
DEKORATIVNI PANEL - LEVI
Detaljnije
3
085192 /
Delovi - duvači i usisivači
RUKOHVAT LEVI
Detaljnije
4
085193 /
Delovi - duvači i usisivači
PREKIDAC TURBO
Detaljnije
5
085195 /
Delovi - duvači i usisivači
CEV ZADNJA
Detaljnije
6
085196 /
Delovi - duvači i usisivači
PREKIDAC ZA KONTROLU BRZINE
Detaljnije
7
085199 /
Delovi - duvači i usisivači
USMERIVAC
Detaljnije
8
085200 /
Delovi - duvači i usisivači
OBLOGA MOTORA
Detaljnije
9
085201 /
Delovi - duvači i usisivači
USMERIVAC VAZDUHA
Detaljnije
10
085204 /
Delovi - duvači i usisivači
DC MOTOR
Detaljnije
11
085205 /
Delovi - duvači i usisivači
PREDNJA CEV DUVACA
Detaljnije
12
085206 /
Delovi - duvači i usisivači
KONUSNA CEV- NOSAC PREDNJE CEVI
Detaljnije
13
085207 /
Delovi - duvači i usisivači
RUKOHVAT DESNI
Detaljnije
14
085208 /
Delovi - duvači i usisivači
DEKORATIVNI PANEL - DESNI
Detaljnije
15
085194 /
Delovi - duvači i usisivači
GUMENI PRSTEN
Detaljnije
16
085197 /
Delovi - duvači i usisivači
OKIDAC
Detaljnije
17
085198 /
Delovi - duvači i usisivači
PCB - KONTROLER-ŠTAMPANA PLOČA
Detaljnije
18
085202 /
Delovi - duvači i usisivači
POKLOPAC ZADNJI
Detaljnije
19
085203 /
Delovi - duvači i usisivači
DRZAC VENTILATORA
Detaljnije
| Karakteristika | Vrednost |
|---|---|
| Kategorija | Delovi trimera |
| Tezina | 1000 |
| Brend | Villager |
187,00 RSD
Ušteda:
0,00
RSD
Dodajte u korpu Obrada
| Karakteristika | Vrednost |
|---|---|
| Kategorija | Delovi - duvači i usisivači |
| Tezina | 180 |
| Brend | Villager |
164,00 RSD
Ušteda:
0,00
RSD
Dodajte u korpu Obrada
| Karakteristika | Vrednost |
|---|---|
| Kategorija | Delovi - duvači i usisivači |
| Tezina | 600 |
| Brend | Villager |
1.076,00 RSD
Ušteda:
0,00
RSD
Dodajte u korpu Obrada
| Karakteristika | Vrednost |
|---|---|
| Kategorija | Delovi - duvači i usisivači |
| Tezina | 60 |
| Brend | Villager |
234,00 RSD
Ušteda:
0,00
RSD
Dodajte u korpu Obrada
| Karakteristika | Vrednost |
|---|---|
| Kategorija | Delovi - duvači i usisivači |
| Tezina | 500 |
| Brend | Villager |
1.123,00 RSD
Ušteda:
0,00
RSD
Dodajte u korpu Obrada
| Karakteristika | Vrednost |
|---|---|
| Kategorija | Delovi - duvači i usisivači |
| Tezina | 50 |
| Brend | Villager |
1.326,00 RSD
Ušteda:
0,00
RSD
Dodajte u korpu Obrada
| Karakteristika | Vrednost |
|---|---|
| Kategorija | Delovi - duvači i usisivači |
| Tezina | 250 |
| Brend | Villager |
187,00 RSD
Ušteda:
0,00
RSD
Dodajte u korpu Obrada
| Karakteristika | Vrednost |
|---|---|
| Kategorija | Delovi - duvači i usisivači |
| Tezina | 500 |
| Brend | Villager |
546,00 RSD
Ušteda:
0,00
RSD
Dodajte u korpu Obrada
| Karakteristika | Vrednost |
|---|---|
| Kategorija | Delovi - duvači i usisivači |
| Tezina | 500 |
| Brend | Villager |
343,00 RSD
Ušteda:
0,00
RSD
Dodajte u korpu Obrada
| Karakteristika | Vrednost |
|---|---|
| Kategorija | Delovi - duvači i usisivači |
| Tezina | 800 |
| Brend | Villager |
4.836,00 RSD
Ušteda:
0,00
RSD
Dodajte u korpu Obrada
| Karakteristika | Vrednost |
|---|---|
| Kategorija | Delovi - duvači i usisivači |
| Tezina | 500 |
| Brend | Villager |
1.326,00 RSD
Ušteda:
0,00
RSD
Dodajte u korpu Obrada
| Karakteristika | Vrednost |
|---|---|
| Kategorija | Delovi - duvači i usisivači |
| Tezina | 350 |
| Brend | Villager |
452,00 RSD
Ušteda:
0,00
RSD
Dodajte u korpu Obrada
| Karakteristika | Vrednost |
|---|---|
| Kategorija | Delovi - duvači i usisivači |
| Tezina | 500 |
| Brend | Villager |
1.123,00 RSD
Ušteda:
0,00
RSD
Dodajte u korpu Obrada
| Karakteristika | Vrednost |
|---|---|
| Kategorija | Delovi - duvači i usisivači |
| Tezina | 180 |
| Brend | Villager |
187,00 RSD
Ušteda:
0,00
RSD
Dodajte u korpu Obrada
| Karakteristika | Vrednost |
|---|---|
| Kategorija | Delovi - duvači i usisivači |
| Tezina | 80 |
| Brend | Villager |
218,00 RSD
Ušteda:
0,00
RSD
Dodajte u korpu Obrada
| Karakteristika | Vrednost |
|---|---|
| Kategorija | Delovi - duvači i usisivači |
| Tezina | 80 |
| Brend | Villager |
94,00 RSD
Ušteda:
0,00
RSD
Dodajte u korpu Obrada
| Karakteristika | Vrednost |
|---|---|
| Kategorija | Delovi - duvači i usisivači |
| Tezina | 150 |
| Brend | Villager |
4.212,00 RSD
Ušteda:
0,00
RSD
Dodajte u korpu Obrada
| Karakteristika | Vrednost |
|---|---|
| Kategorija | Delovi - duvači i usisivači |
| Tezina | 200 |
| Brend | Villager |
593,00 RSD
Ušteda:
0,00
RSD
Dodajte u korpu Obrada
| Karakteristika | Vrednost |
|---|---|
| Kategorija | Delovi - duvači i usisivači |
| Tezina | 50 |
| Brend | Villager |
195,00 RSD
Ušteda:
0,00
RSD
Dodajte u korpu Obrada