- Agromarket
- Rezervni delovi
- Delovi za baštenske alate
- Delovi uređaja
- Delovi testera
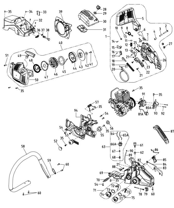
- Motorna testera VGS 410 S
Izaberite rezervni deo klikom na mapu
Izaberite potreban rezervni deo klikom na listu
CILINDAR 40.5 mm
STINIK AUSPUHA
AUSPUH
DIHTUNG AUSPUHA
BREZON AUSPUHA
DIHTUNG DISTANCE
DISTANCA KARBURATORA
DIHTUNG KARBURATORA
DIHTUNG CILINDRA
BOLCNI KLIPA 10 x 34 mm
OSIGURAC BOLCNA
KLIP 40.5 mm
PODLOSKA LEZAJA MALE PESNICE
LEZAJ MALE PESNICE 10X14X11
RADILICA
LEVO KUCISTE TESTERE
DIHTUNG KUCISTA
DESNO KUCISTE TESTERE
SEMERING RADILICE 12-32-5,5
CESALJ
HVATAC LANCA
PLOCICA DEKLIJA MACA
SEMERING RADILICE 12X22X7
ELEKTRONIKA
KVACILO KOMPLET
LANCANIK
LEZAJ LANCANIKA 10x13x13
PUZ ULJNE PUMPE
STITNIK PUMPE ULJA
PUMPA ULJA
CREVO ULJNE PUMPE - ODVODNO 3x6.5x80
CREVO ULJNE PUMPE - DOVODNO 3X6.5X75
SPOJNICA CREVA
FILTER ULJA SA NOSACEM
DIZNA ZA ULJE
DEKLI MACA KPT.
CIVIJA 3X9
VIJAK ZATEZAC LANCA-SPOLJASNJI
VIJAK ZATEZAC LANCA
KLJUN ZATEZACA LANACA
POKLOPAC FILTERA VAZDUHA
FILTER VAZDUHA
POKLOPAC CILINDRA
STITNIK OD PILJEVINE
DRZAC RUCICE SAUHA
RUCICA SAUHA
USMERIVAC VAZDUHA
STARTER
KOTUR KANAPA - MEKI START
OPRUGA STARTA - MEKI START
KOTUR KANAPA
OPRUGA STARTERA SA NOSACEM
POTEZAC PALJENJA
POKLOPAC AMORTIZERA
AMORTIZER
AMORTIZER
PLASTICNI POKLOPAC AMORTIZERA
OPRUGA PREDNJEG RUKOHVATA
RUKOHVAT
ODUSAK GORIVA
NOSAC ODUSKA
CREVA SA DRZACEM KOMPLET
CREVO GORIVA DOVODNO
REZERVOAR SA RUKOHVATOM - ORANGE
OPRUGA REZERVOARA
CEP GORIVA KPT.
O RING RUKOHVATA
POKLOPAC REZERVOARA GORIVA
CEP ULJA KPT.
O RING RUKOHVATA
POKLOPAC REZERVOARA ULJA
PREKIDAC
PUMPICA ZA GORIVO
CREVO PUMPICE ULAZ
BLOKADA GASA
OPRUGA BLOKADE
RUCICA GASA
POKLOPAC RUKOHVATA
CREVO ULJNE PUMPE - DOVODNO 3X6.5X75
KARBURATOR
NOSAC FILTERA VAZDUHA
PLASTICNO KUCISTE
Rb
Šifra
Kategorija
Naziv
1
010563 /
Delovi 2T motora - ostalo
SEMERING RADILICE 12 x 22 x 7
Detaljnije
2
010549 /
Delovi 2T motora - ostalo
BOLCNI KLIPA 10 x 34 mm
Detaljnije
3
031902 /
Delovi lančanih testera
CESALJ
Detaljnije
4
010539 /
Delovi 2T motora - cilindri i klipovi
CILINDAR 40.5 mm
Detaljnije
5
010564 /
Delovi 2T motora - paljenje
ELEKTRONIKA
Detaljnije
6
010553 /
Delovi 2T motora - ostalo
PODLOSKA LEZAJA MALE PESNICE
Detaljnije
7
010575 /
Delovi lančanih testera
PUZ ULJNE PUMPE
Detaljnije
8
010579 /
Delovi lančanih testera
CREVO ULJNE PUMPE - ODVODNO 3x6.5x80
Detaljnije
9
010554 /
Ležajevi - igličasti
LEZAJ MALE PESNICE 10X14X11
Detaljnije
10
010541 /
Delovi 2T motora - ostalo
BREZON AUSPUHA
Detaljnije
11
010557 /
Delovi 2T motora - kućišta
LEVO KUCISTE TESTERE
Detaljnije
12
010580 /
Delovi lančanih testera
CREVO ULJNE PUMPE - DOVODNO 3X6.5X75
Detaljnije
13
010540 /
Delovi 2T motora - dihtunzi
DIHTUNG AUSPUHA
Detaljnije
14
010559 /
Delovi 2T motora - dihtunzi
DIHTUNG KUCISTA
Detaljnije
15
010545 /
Delovi 2T motora - dihtunzi
DIHTUNG KARBURATORA
Detaljnije
16
010572 /
Lančanici
LANCANIK
Detaljnije
17
010544 /
Delovi 2T motora - karburatori
DISTANCA KARBURATORA
Detaljnije
18
019889 /
Delovi 2T motora - ostalo
SPOJNICA CREVA
Detaljnije
19
010550 /
Delovi 2T motora - ostalo
OSIGURAC BOLCNA
Detaljnije
20
023069 /
Delovi 2T motora - ostalo
AUSPUH
Detaljnije
21
035192 /
Delovi 2T motora - ostalo
HVATAC LANCA
Detaljnije
22
010574 /
Ležajevi - igličasti
LEZAJ LANCANIKA 10x13x13
Detaljnije
23
040083 /
Delovi 2T motora - ostalo
DIZNA ZA ULJE
Detaljnije
24
046566 /
Delovi lančanih testera
STITNIK PUMPE ULJA
Detaljnije
25
031903 /
Delovi 2T motora - ostalo
PLOCICA DEKLIJA MACA
Detaljnije
26
010546 /
Delovi 2T motora - dihtunzi
DIHTUNG CILINDRA
Detaljnije
27
010577 /
Delovi lančanih testera
PUMPA ULJA
Detaljnije
28
010555 /
Delovi 2T motora - radilice
RADILICA
Detaljnije
29
010562 /
Delovi 2T motora - ostalo
SEMERING RADILICE 12 x 32 x 5.5
Detaljnije
30
010560 /
Delovi 2T motora - kućišta
DESNO KUCISTE TESTERE
Detaljnije
31
010552 /
Delovi 2T motora - cilindri i klipovi
KLIP 40.5 mm
Detaljnije
32
010570 /
Delovi lančanih testera
KVACILO KOMPLET
Detaljnije
33
010543 /
Delovi 2T motora - dihtunzi
DIHTUNG DISTANCE
Detaljnije
34
064255 /
Delovi 2T motora - ostalo
STINIK AUSPUHA
Detaljnije
35
064256 /
Filteri - za ulje
FILTER ULJA SA NOSACEM
Detaljnije
Rb
Šifra
Kategorija
Naziv
1
012292 /
Delovi lančanih testera
NOSAC ODUSKA
Detaljnije
2
017065 /
Delovi 2T motora - ostalo
ODUSAK GORIVA
Detaljnije
3
017061 /
Delovi lančanih testera
OPRUGA PREDNJEG RUKOHVATA
Detaljnije
4
046562 /
Delovi lančanih testera
CEP ULJA KPT.
Detaljnije
5
010516 /
Filteri - za vazduh
FILTER VAZDUHA
Detaljnije
6
046550 /
Delovi 2T motora - ostalo
DEKLI MACA KPT.
Detaljnije
7
046560 /
Delovi 2T motora - starteri
OPRUGA STARTERA SA NOSACEM
Detaljnije
8
017059 /
Delovi 2T motora - ostalo
DRZAC RUCICE SAUHA
Detaljnije
9
046556 /
Delovi 2T motora - starteri
Starter kpt. za motornu testeru Villager VGS 380S - VGS 410S
Detaljnije
10
010532 /
Delovi 2T motora - ostalo
Pumpica za gorivo za motorne testere Villager - svi modeli
Detaljnije
11
010580 /
Delovi lančanih testera
CREVO ULJNE PUMPE - DOVODNO 3X6.5X75
Detaljnije
12
031907 /
Delovi lančanih testera
REZERVOAR SA RUKOHVATOM - ORANGE
Detaljnije
13
010608 /
Delovi 2T motora - ostalo
POTEZAC PALJENJA
Detaljnije
14
046559 /
Delovi 2T motora - starteri
KOTUR KANAPA
Detaljnije
15
010527 /
Delovi lančanih testera
AMORTIZER
Detaljnije
16
031916 /
Delovi lančanih testera
VIJAK ZATEZAC LANCA-SPOLJASNJI
Detaljnije
17
031919 /
Delovi lančanih testera
POKLOPAC REZERVOARA GORIVA
Detaljnije
18
019886 /
Delovi lančanih testera
CREVA SA DRZACEM KOMPLET
Detaljnije
19
031915 /
Delovi lančanih testera
VIJAK ZATEZAC LANCA
Detaljnije
20
046558 /
Delovi 2T motora - starteri
OPRUGA STARTA - MEKI START
Detaljnije
21
010535 /
Delovi lančanih testera
OPRUGA BLOKADE
Detaljnije
22
046563 /
Delovi lančanih testera
POKLOPAC RUKOHVATA
Detaljnije
23
052014 /
Delovi trimera za živu ogradu
O RING RUKOHVATA
Detaljnije
24
010536 /
Delovi lančanih testera
RUCICA GASA
Detaljnije
25
046555 /
Delovi lančanih testera
USMERIVAC VAZDUHA
Detaljnije
26
046553 /
Delovi 2T motora - ostalo
POKLOPAC CILINDRA
Detaljnije
27
010667 /
Delovi lančanih testera
PLASTICNI POKLOPAC AMORTIZERA
Detaljnije
28
036895 /
Delovi 2T motora - ostalo
CIVIJA 3X9
Detaljnije
29
017058 /
Delovi lančanih testera
STITNIK OD PILJEVINE
Detaljnije
30
014855 /
Delovi lančanih testera
RUKOHVAT
Detaljnije
31
046557 /
Delovi 2T motora - starteri
KOTUR KANAPA - MEKI START
Detaljnije
32
010696 /
Delovi lančanih testera
POKLOPAC AMORTIZERA
Detaljnije
33
046552 /
Delovi 2T motora - ostalo
POKLOPAC FILTERA VAZDUHA
Detaljnije
34
046554 /
Delovi 2T motora - ostalo
RUCICA SAUHA
Detaljnije
35
010534 /
Delovi lančanih testera
BLOKADA GASA
Detaljnije
36
021802 /
Delovi 2T motora - kućišta
PLASTICNO KUCISTE
Detaljnije
37
017064 /
Delovi 2T motora - paljenje
PREKIDAC
Detaljnije
38
010525 /
Delovi lančanih testera
AMORTIZER
Detaljnije
39
031925 /
Delovi lančanih testera
POKLOPAC REZERVOARA ULJA
Detaljnije
40
046561 /
Delovi 2T motora - ostalo
CEP GORIVA KPT.
Detaljnije
41
017063 /
Delovi lančanih testera
OPRUGA REZERVOARA
Detaljnije
42
017071 /
Delovi lančanih testera
CREVO PUMPICE ULAZ
Detaljnije
43
046540 /
Delovi lančanih testera
KLJUN ZATEZACA LANACA
Detaljnije
44
031946 /
Delovi 2T motora - ostalo
NOSAC FILTERA VAZDUHA
Detaljnije
45
019885 /
Delovi 2T motora - ostalo
CREVO GORIVA DOVODNO
Detaljnije
46
064254 /
Delovi 2T motora - karburatori
Karburator za motornu testeru Villager VGS 380 Prime
Detaljnije
| Karakteristika | Vrednost |
|---|---|
| Kategorija | Delovi 2T motora - ostalo |
| Tezina | 4 |
| Brend | Villager |
195,00 RSD
Ušteda:
0,00
RSD
Dodajte u korpu Obrada
| Karakteristika | Vrednost |
|---|---|
| Kategorija | Delovi 2T motora - ostalo |
| Tezina | 12 |
| Brend | Villager |
140,00 RSD
Ušteda:
0,00
RSD
Dodajte u korpu Obrada
| Karakteristika | Vrednost |
|---|---|
| Kategorija | Delovi lančanih testera |
| Tezina | 21 |
| Brend | Villager |
390,00 RSD
Ušteda:
0,00
RSD
Dodajte u korpu Obrada
| Karakteristika | Vrednost |
|---|---|
| Kategorija | Delovi 2T motora - cilindri i klipovi |
| Tezina | 310 |
| Brend | Villager |
2.028,00 RSD
Ušteda:
0,00
RSD
Dodajte u korpu Obrada
| Karakteristika | Vrednost |
|---|---|
| Kategorija | Delovi 2T motora - paljenje |
| Tezina | 113 |
| Brend | Villager |
2.028,00 RSD
Ušteda:
0,00
RSD
Dodajte u korpu Obrada
| Karakteristika | Vrednost |
|---|---|
| Kategorija | Delovi 2T motora - ostalo |
| Tezina | 4 |
| Brend | Villager |
117,00 RSD
Ušteda:
0,00
RSD
Dodajte u korpu Obrada
| Karakteristika | Vrednost |
|---|---|
| Kategorija | Delovi lančanih testera |
| Tezina | 6 |
| Brend | Villager |
265,00 RSD
Ušteda:
0,00
RSD
Dodajte u korpu Obrada
| Karakteristika | Vrednost |
|---|---|
| Kategorija | Delovi lančanih testera |
| Tezina | 1000 |
| Brend | Villager |
179,00 RSD
Ušteda:
0,00
RSD
Dodajte u korpu Obrada
| Karakteristika | Vrednost |
|---|---|
| Kategorija | Ležajevi - igličasti |
| Tezina | 1 |
| Brend | Villager |
234,00 RSD
Ušteda:
0,00
RSD
Dodajte u korpu Obrada
| Karakteristika | Vrednost |
|---|---|
| Kategorija | Delovi 2T motora - ostalo |
| Tezina | 1000 |
| Brend | Villager |
117,00 RSD
Ušteda:
0,00
RSD
Dodajte u korpu Obrada
| Karakteristika | Vrednost |
|---|---|
| Kategorija | Delovi 2T motora - kućišta |
| Tezina | 123 |
| Brend | Villager |
2.028,00 RSD
Ušteda:
0,00
RSD
Dodajte u korpu Obrada
| Karakteristika | Vrednost |
|---|---|
| Kategorija | Delovi lančanih testera |
| Tezina | 3 |
| Brend | Villager |
179,00 RSD
Ušteda:
0,00
RSD
Dodajte u korpu Obrada
| Karakteristika | Vrednost |
|---|---|
| Kategorija | Delovi 2T motora - dihtunzi |
| Tezina | 1000 |
| Brend | Villager |
133,00 RSD
Ušteda:
0,00
RSD
Dodajte u korpu Obrada
| Karakteristika | Vrednost |
|---|---|
| Kategorija | Delovi 2T motora - dihtunzi |
| Tezina | 1 |
| Brend | Villager |
195,00 RSD
Ušteda:
0,00
RSD
Dodajte u korpu Obrada
| Karakteristika | Vrednost |
|---|---|
| Kategorija | Delovi 2T motora - dihtunzi |
| Tezina | 1 |
| Brend | Villager |
172,00 RSD
Ušteda:
0,00
RSD
Dodajte u korpu Obrada
| Karakteristika | Vrednost |
|---|---|
| Kategorija | Lančanici |
| Tezina | 110 |
| Brend | Villager |
1.248,00 RSD
Ušteda:
0,00
RSD
Dodajte u korpu Obrada
| Karakteristika | Vrednost |
|---|---|
| Kategorija | Delovi 2T motora - karburatori |
| Tezina | 14 |
| Brend | Villager |
234,00 RSD
Ušteda:
0,00
RSD
Dodajte u korpu Obrada
| Karakteristika | Vrednost |
|---|---|
| Kategorija | Delovi 2T motora - ostalo |
| Tezina | 1 |
| Brend | Villager |
148,00 RSD
Ušteda:
0,00
RSD
Dodajte u korpu Obrada
| Karakteristika | Vrednost |
|---|---|
| Kategorija | Delovi 2T motora - ostalo |
| Tezina | 1 |
| Brend | Villager |
62,00 RSD
Ušteda:
0,00
RSD
Dodajte u korpu Obrada
| Karakteristika | Vrednost |
|---|---|
| Kategorija | Delovi 2T motora - ostalo |
| Tezina | 302 |
| Brend | Villager |
1.279,00 RSD
Ušteda:
0,00
RSD
Dodajte u korpu Obrada
| Karakteristika | Vrednost |
|---|---|
| Kategorija | Delovi 2T motora - ostalo |
| Tezina | 6 |
| Brend | Villager |
484,00 RSD
Ušteda:
0,00
RSD
Dodajte u korpu Obrada
| Karakteristika | Vrednost |
|---|---|
| Kategorija | Ležajevi - igličasti |
| Tezina | 5 |
| Brend | Villager |
234,00 RSD
Ušteda:
0,00
RSD
Dodajte u korpu Obrada
| Karakteristika | Vrednost |
|---|---|
| Kategorija | Delovi 2T motora - ostalo |
| Tezina | 1000 |
| Brend | Villager |
133,00 RSD
Ušteda:
0,00
RSD
Dodajte u korpu Obrada
| Karakteristika | Vrednost |
|---|---|
| Kategorija | Delovi lančanih testera |
| Tezina | 9 |
| Brend | Villager |
203,00 RSD
Ušteda:
0,00
RSD
Dodajte u korpu Obrada
| Karakteristika | Vrednost |
|---|---|
| Kategorija | Delovi 2T motora - ostalo |
| Tezina | 1000 |
| Brend | Villager |
250,00 RSD
Ušteda:
0,00
RSD
Dodajte u korpu Obrada
| Karakteristika | Vrednost |
|---|---|
| Kategorija | Delovi 2T motora - dihtunzi |
| Tezina | 1000 |
| Brend | Villager |
172,00 RSD
Ušteda:
0,00
RSD
Dodajte u korpu Obrada
| Karakteristika | Vrednost |
|---|---|
| Kategorija | Delovi lančanih testera |
| Tezina | 36 |
| Brend | Villager |
1.069,00 RSD
Ušteda:
0,00
RSD
Dodajte u korpu Obrada
| Karakteristika | Vrednost |
|---|---|
| Kategorija | Delovi 2T motora - radilice |
| Tezina | 306 |
| Brend | Villager |
2.106,00 RSD
Ušteda:
0,00
RSD
Dodajte u korpu Obrada
| Karakteristika | Vrednost |
|---|---|
| Kategorija | Delovi 2T motora - ostalo |
| Tezina | 7 |
| Brend | Villager |
195,00 RSD
Ušteda:
0,00
RSD
Dodajte u korpu Obrada
| Karakteristika | Vrednost |
|---|---|
| Kategorija | Delovi 2T motora - kućišta |
| Tezina | 1000 |
| Brend | Villager |
1.872,00 RSD
Ušteda:
0,00
RSD
Dodajte u korpu Obrada
| Karakteristika | Vrednost |
|---|---|
| Kategorija | Delovi 2T motora - cilindri i klipovi |
| Tezina | 46 |
| Brend | Villager |
702,00 RSD
Ušteda:
0,00
RSD
Dodajte u korpu Obrada
| Karakteristika | Vrednost |
|---|---|
| Kategorija | Delovi lančanih testera |
| Tezina | 143 |
| Brend | Villager |
1.123,00 RSD
Ušteda:
0,00
RSD
Dodajte u korpu Obrada
| Karakteristika | Vrednost |
|---|---|
| Kategorija | Delovi 2T motora - dihtunzi |
| Tezina | 1 |
| Brend | Villager |
172,00 RSD
Ušteda:
0,00
RSD
Dodajte u korpu Obrada
| Karakteristika | Vrednost |
|---|---|
| Kategorija | Delovi 2T motora - ostalo |
| Tezina | 1000 |
| Brend | Villager |
234,00 RSD
Ušteda:
0,00
RSD
Dodajte u korpu Obrada
| Karakteristika | Vrednost |
|---|---|
| Kategorija | Filteri - za ulje |
| Tezina | 1 |
| Brend | Villager |
343,00 RSD
Ušteda:
0,00
RSD
Dodajte u korpu Obrada
| Karakteristika | Vrednost |
|---|---|
| Kategorija | Delovi lančanih testera |
| Tezina | 1 |
| Brend | Villager |
195,00 RSD
Ušteda:
0,00
RSD
Dodajte u korpu Obrada
| Karakteristika | Vrednost |
|---|---|
| Kategorija | Delovi 2T motora - ostalo |
| Tezina | 1 |
| Brend | Villager |
390,00 RSD
Ušteda:
0,00
RSD
Dodajte u korpu Obrada
| Karakteristika | Vrednost |
|---|---|
| Kategorija | Delovi lančanih testera |
| Tezina | 12 |
| Brend | Villager |
281,00 RSD
Ušteda:
0,00
RSD
Dodajte u korpu Obrada
| Karakteristika | Vrednost |
|---|---|
| Kategorija | Delovi lančanih testera |
| Tezina | 9 |
| Brend | Villager |
296,00 RSD
Ušteda:
0,00
RSD
Dodajte u korpu Obrada
| Karakteristika | Vrednost |
|---|---|
| Kategorija | Filteri - za vazduh |
| Tezina | 24 |
| Brend | Villager |
437,00 RSD
Ušteda:
0,00
RSD
Dodajte u korpu Obrada
| Karakteristika | Vrednost |
|---|---|
| Kategorija | Delovi 2T motora - ostalo |
| Tezina | 450 |
| Brend | Villager |
2.808,00 RSD
Ušteda:
0,00
RSD
Dodajte u korpu Obrada
| Karakteristika | Vrednost |
|---|---|
| Kategorija | Delovi 2T motora - starteri |
| Tezina | 30 |
| Brend | Villager |
421,00 RSD
Ušteda:
0,00
RSD
Dodajte u korpu Obrada
| Karakteristika | Vrednost |
|---|---|
| Kategorija | Delovi 2T motora - ostalo |
| Tezina | 1 |
| Brend | Villager |
70,00 RSD
Ušteda:
0,00
RSD
Dodajte u korpu Obrada
| Karakteristika | Vrednost |
|---|---|
| Kategorija | Delovi 2T motora - starteri |
| Tezina | 310 |
| Brend | Villager |
2.964,00 RSD
Ušteda:
0,00
RSD
Dodajte u korpu Obrada
| Karakteristika | Vrednost |
|---|---|
| Kategorija | Delovi 2T motora - ostalo |
| Tezina | 4 |
| Brend | Villager |
413,00 RSD
Ušteda:
0,00
RSD
Dodajte u korpu Obrada
| Karakteristika | Vrednost |
|---|---|
| Kategorija | Delovi lančanih testera |
| Tezina | 3 |
| Brend | Villager |
179,00 RSD
Ušteda:
0,00
RSD
Dodajte u korpu Obrada
| Karakteristika | Vrednost |
|---|---|
| Kategorija | Delovi lančanih testera |
| Tezina | 395 |
| Brend | Villager |
2.184,00 RSD
Ušteda:
0,00
RSD
Dodajte u korpu Obrada
| Karakteristika | Vrednost |
|---|---|
| Kategorija | Delovi 2T motora - ostalo |
| Tezina | 27 |
| Brend | Villager |
172,00 RSD
Ušteda:
0,00
RSD
Dodajte u korpu Obrada
| Karakteristika | Vrednost |
|---|---|
| Kategorija | Delovi 2T motora - starteri |
| Tezina | 34 |
| Brend | Villager |
452,00 RSD
Ušteda:
0,00
RSD
Dodajte u korpu Obrada
| Karakteristika | Vrednost |
|---|---|
| Kategorija | Delovi lančanih testera |
| Tezina | 10 |
| Brend | Villager |
218,00 RSD
Ušteda:
0,00
RSD
Dodajte u korpu Obrada
| Karakteristika | Vrednost |
|---|---|
| Kategorija | Delovi lančanih testera |
| Tezina | 7 |
| Brend | Villager |
343,00 RSD
Ušteda:
0,00
RSD
Dodajte u korpu Obrada
| Karakteristika | Vrednost |
|---|---|
| Kategorija | Delovi lančanih testera |
| Tezina | 12 |
| Brend | Villager |
390,00 RSD
Ušteda:
0,00
RSD
Dodajte u korpu Obrada
| Karakteristika | Vrednost |
|---|---|
| Kategorija | Delovi lančanih testera |
| Tezina | 32 |
| Brend | Villager |
577,00 RSD
Ušteda:
0,00
RSD
Dodajte u korpu Obrada
| Karakteristika | Vrednost |
|---|---|
| Kategorija | Delovi lančanih testera |
| Tezina | 9 |
| Brend | Villager |
203,00 RSD
Ušteda:
0,00
RSD
Dodajte u korpu Obrada
| Karakteristika | Vrednost |
|---|---|
| Kategorija | Delovi 2T motora - starteri |
| Tezina | 76 |
| Brend | Villager |
390,00 RSD
Ušteda:
0,00
RSD
Dodajte u korpu Obrada
| Karakteristika | Vrednost |
|---|---|
| Kategorija | Delovi lančanih testera |
| Tezina | 1 |
| Brend | Villager |
62,00 RSD
Ušteda:
0,00
RSD
Dodajte u korpu Obrada
| Karakteristika | Vrednost |
|---|---|
| Kategorija | Delovi lančanih testera |
| Tezina | 1000 |
| Brend | Villager |
702,00 RSD
Ušteda:
0,00
RSD
Dodajte u korpu Obrada
| Karakteristika | Vrednost |
|---|---|
| Kategorija | Delovi trimera za živu ogradu |
| Tezina | 1000 |
| Brend | Villager |
62,00 RSD
Ušteda:
0,00
RSD
Dodajte u korpu Obrada
| Karakteristika | Vrednost |
|---|---|
| Kategorija | Delovi lančanih testera |
| Tezina | 5 |
| Brend | Villager |
94,00 RSD
Ušteda:
0,00
RSD
Dodajte u korpu Obrada
| Karakteristika | Vrednost |
|---|---|
| Kategorija | Delovi lančanih testera |
| Tezina | 1000 |
| Brend | Villager |
296,00 RSD
Ušteda:
0,00
RSD
Dodajte u korpu Obrada
| Karakteristika | Vrednost |
|---|---|
| Kategorija | Delovi 2T motora - ostalo |
| Tezina | 1000 |
| Brend | Villager |
1.232,00 RSD
Ušteda:
0,00
RSD
Dodajte u korpu Obrada
| Karakteristika | Vrednost |
|---|---|
| Kategorija | Delovi lančanih testera |
| Tezina | 20 |
| Brend | Villager |
140,00 RSD
Ušteda:
0,00
RSD
Dodajte u korpu Obrada
| Karakteristika | Vrednost |
|---|---|
| Kategorija | Delovi 2T motora - ostalo |
| Tezina | 1000 |
| Brend | Villager |
140,00 RSD
Ušteda:
0,00
RSD
Dodajte u korpu Obrada
| Karakteristika | Vrednost |
|---|---|
| Kategorija | Delovi lančanih testera |
| Tezina | 1000 |
| Brend | Villager |
125,00 RSD
Ušteda:
0,00
RSD
Dodajte u korpu Obrada
| Karakteristika | Vrednost |
|---|---|
| Kategorija | Delovi lančanih testera |
| Tezina | 1000 |
| Brend | Villager |
905,00 RSD
Ušteda:
0,00
RSD
Dodajte u korpu Obrada
| Karakteristika | Vrednost |
|---|---|
| Kategorija | Delovi 2T motora - starteri |
| Tezina | 22 |
| Brend | Villager |
296,00 RSD
Ušteda:
0,00
RSD
Dodajte u korpu Obrada
| Karakteristika | Vrednost |
|---|---|
| Kategorija | Delovi lančanih testera |
| Tezina | 1000 |
| Brend | Villager |
125,00 RSD
Ušteda:
0,00
RSD
Dodajte u korpu Obrada
| Karakteristika | Vrednost |
|---|---|
| Kategorija | Delovi 2T motora - ostalo |
| Tezina | 55 |
| Brend | Villager |
546,00 RSD
Ušteda:
0,00
RSD
Dodajte u korpu Obrada
| Karakteristika | Vrednost |
|---|---|
| Kategorija | Delovi 2T motora - ostalo |
| Tezina | 3 |
| Brend | Villager |
187,00 RSD
Ušteda:
0,00
RSD
Dodajte u korpu Obrada
| Karakteristika | Vrednost |
|---|---|
| Kategorija | Delovi lančanih testera |
| Tezina | 9 |
| Brend | Villager |
101,00 RSD
Ušteda:
0,00
RSD
Dodajte u korpu Obrada
| Karakteristika | Vrednost |
|---|---|
| Kategorija | Delovi 2T motora - kućišta |
| Tezina | 187 |
| Brend | Villager |
2.028,00 RSD
Ušteda:
0,00
RSD
Dodajte u korpu Obrada
| Karakteristika | Vrednost |
|---|---|
| Kategorija | Delovi 2T motora - paljenje |
| Tezina | 4 |
| Brend | Villager |
281,00 RSD
Ušteda:
0,00
RSD
Dodajte u korpu Obrada
| Karakteristika | Vrednost |
|---|---|
| Kategorija | Delovi lančanih testera |
| Tezina | 16 |
| Brend | Villager |
281,00 RSD
Ušteda:
0,00
RSD
Dodajte u korpu Obrada
| Karakteristika | Vrednost |
|---|---|
| Kategorija | Delovi lančanih testera |
| Tezina | 9 |
| Brend | Villager |
390,00 RSD
Ušteda:
0,00
RSD
Dodajte u korpu Obrada
| Karakteristika | Vrednost |
|---|---|
| Kategorija | Delovi 2T motora - ostalo |
| Tezina | 12 |
| Brend | Villager |
296,00 RSD
Ušteda:
0,00
RSD
Dodajte u korpu Obrada
| Karakteristika | Vrednost |
|---|---|
| Kategorija | Delovi lančanih testera |
| Tezina | 18 |
| Brend | Villager |
421,00 RSD
Ušteda:
0,00
RSD
Dodajte u korpu Obrada
| Karakteristika | Vrednost |
|---|---|
| Kategorija | Delovi lančanih testera |
| Tezina | 3 |
| Brend | Villager |
250,00 RSD
Ušteda:
0,00
RSD
Dodajte u korpu Obrada
| Karakteristika | Vrednost |
|---|---|
| Kategorija | Delovi lančanih testera |
| Tezina | 3 |
| Brend | Villager |
265,00 RSD
Ušteda:
0,00
RSD
Dodajte u korpu Obrada
| Karakteristika | Vrednost |
|---|---|
| Kategorija | Delovi 2T motora - ostalo |
| Tezina | 13 |
| Brend | Villager |
343,00 RSD
Ušteda:
0,00
RSD
Dodajte u korpu Obrada
| Karakteristika | Vrednost |
|---|---|
| Kategorija | Delovi 2T motora - ostalo |
| Tezina | 1000 |
| Brend | Villager |
156,00 RSD
Ušteda:
0,00
RSD
Dodajte u korpu Obrada
| Karakteristika | Vrednost |
|---|---|
| Kategorija | Delovi 2T motora - karburatori |
| Tezina | 103 |
| Brend | Villager |
3.432,00 RSD
Ušteda:
0,00
RSD
Dodajte u korpu Obrada