Poštovani klijenti, zbog popisa i kolektivnog odmora Agromarket neće izdavati rezervne delove od 22.12. i proizvode od 26.12. do 12.01.2026.
- Agromarket
- Rezervni delovi
- Delovi za radioničke alate
- Delovi električnih uređaja
- Delovi električnih čekića
- Električni čekić VLN 1609
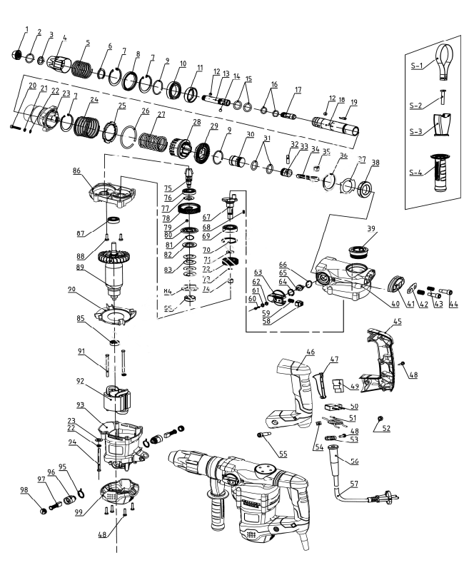
Izaberite rezervni deo klikom na mapu
Izaberite potreban rezervni deo klikom na listu
STATOR
KUCISTE STATORA
ROTOR
OPRUGA FUTERA
SEMERING 35X55X8
VRATILO SA ZUPCANIKOM
ZUPCANIK
PLOCICA AKTIVNA
PLOCICA FIKSNA
KVACILO
GUMENI STITNIK CEONI
ZUPCANIK VELIKI
RADILICA
ZUPCANIK
NOSAC ALATA
CEKIC UDARNI
O RING 24X2.2 MM
PREKLOPNIK BOCNI
OPRUGA PREKLOPNIKA
TASTER PREKLOPNIKA
O RING 22X3 MM
X RING 16.5X1.2X4 MM
OSOVINA PREKLOPNIKA
BOLCNI KLIPA
UDARAC
KLIP
RUKOHVAT DESNI
KLIPNJACA
TASTER PREKIDACA
CILINDAR
ZEGER OSIGURAC 23.5X2 MM
PREKIDAC ON/OFF
POKLOPAC ZA PODMAZIVANJE
RUKOHVAT LEVI
KUCISTE ZUPCANIKA
NOSAC CETKICE
PODLOSKA FUTERA
KUCISTE CILINDRA
STITNIK FUTERA
USMERIVAC VAZDUHA
KUCISTE SREDNJE
Rb
Šifra
Kategorija
Naziv
1
047529 /
Radionički alati - motori
ROTOR
Detaljnije
2
047494 /
Delovi električnih uređaja - električni čekići
PODLOSKA FUTERA
Detaljnije
3
047499 /
Delovi električnih uređaja - električni čekići
O RING 24X2.2 MM
Detaljnije
4
047504 /
Delovi električnih uređaja - električni čekići
KVACILO
Detaljnije
5
047515 /
Delovi električnih uređaja - električni čekići
TASTER PREKIDACA
Detaljnije
6
047525 /
Delovi električnih uređaja - električni čekići
ZUPCANIK
Detaljnije
7
047500 /
Delovi električnih uređaja - električni čekići
X RING 16.5X1.2X4 MM
Detaljnije
8
047512 /
Delovi električnih uređaja - električni čekići
KUCISTE ZUPCANIKA
Detaljnije
9
047498 /
Delovi električnih uređaja - električni čekići
NOSAC ALATA
Detaljnije
10
047496 /
Delovi električnih uređaja - električni čekići
OPRUGA FUTERA
Detaljnije
11
047533 /
Delovi električnih uređaja - električni čekići
NOSAC CETKICE
Detaljnije
12
047524 /
Delovi električnih uređaja - električni čekići
VRATILO SA ZUPCANIKOM
Detaljnije
13
047526 /
Delovi električnih uređaja - električni čekići
PLOCICA FIKSNA
Detaljnije
14
047522 /
Delovi električnih uređaja - električni čekići
ZUPCANIK VELIKI
Detaljnije
15
047501 /
Delovi električnih uređaja - električni čekići
UDARAC
Detaljnije
16
047531 /
Radionički alati - motori
STATOR
Detaljnije
17
047518 /
Delovi električnih uređaja - električni čekići
OPRUGA PREKLOPNIKA
Detaljnije
18
047506 /
Delovi električnih uređaja - električni čekići
CEKIC UDARNI
Detaljnije
19
047519 /
Delovi električnih uređaja - električni čekići
PREKLOPNIK BOCNI
Detaljnije
20
047508 /
Delovi električnih uređaja - električni čekići
BOLCNI KLIPA
Detaljnije
21
047495 /
Delovi električnih uređaja - električni čekići
STITNIK FUTERA
Detaljnije
22
047502 /
Delovi električnih uređaja - električni čekići
CILINDAR
Detaljnije
23
047492 /
Delovi električnih uređaja - električni čekići
GUMENI STITNIK CEONI
Detaljnije
24
047505 /
Delovi električnih uređaja - električni čekići
ZUPCANIK
Detaljnije
25
047510 /
Delovi električnih uređaja - električni čekići
KLIPNJACA
Detaljnije
26
047516 /
Radionički alati - prekidači
PREKIDAC ON/OFF
Detaljnije
27
047507 /
Delovi električnih uređaja - električni čekići
O RING 22X3 MM
Detaljnije
28
047517 /
Delovi električnih uređaja - električni čekići
TASTER PREKLOPNIKA
Detaljnije
29
047509 /
Delovi električnih uređaja - električni čekići
KLIP
Detaljnije
30
047497 /
Delovi električnih uređaja - električni čekići
SEMERING 35 x 55 x 8
Detaljnije
31
047493 /
Delovi električnih uređaja - električni čekići
ZEGER OSIGURAC 23.5X2 MM
Detaljnije
32
047521 /
Delovi električnih uređaja - električni čekići
RADILICA
Detaljnije
33
047520 /
Delovi električnih uređaja - električni čekići
OSOVINA PREKLOPNIKA
Detaljnije
34
047503 /
Delovi električnih uređaja - električni čekići
KUCISTE CILINDRA
Detaljnije
35
047511 /
Delovi električnih uređaja - električni čekići
POKLOPAC ZA PODMAZIVANJE
Detaljnije
36
047513 /
Delovi električnih uređaja - električni čekići
RUKOHVAT LEVI
Detaljnije
37
047514 /
Delovi električnih uređaja - električni čekići
RUKOHVAT DESNI
Detaljnije
38
047527 /
Delovi električnih uređaja - električni čekići
PLOCICA AKTIVNA
Detaljnije
39
047528 /
Delovi električnih uređaja - električni čekići
KUCISTE SREDNJE
Detaljnije
40
047530 /
Delovi električnih uređaja - električni čekići
USMERIVAC VAZDUHA
Detaljnije
41
047532 /
Delovi električnih uređaja - električni čekići
KUCISTE STATORA
Detaljnije
| Karakteristika | Vrednost |
|---|---|
| Kategorija | Radionički alati - motori |
| Tezina | 672 |
| Brend | Villager |
2.808,00 RSD
Ušteda:
0,00
RSD
Dodajte u korpu Obrada
| Karakteristika | Vrednost |
|---|---|
| Kategorija | Delovi električnih uređaja - električni čekići |
| Tezina | 1000 |
| Brend | Villager |
86,00 RSD
Ušteda:
0,00
RSD
Dodajte u korpu Obrada
| Karakteristika | Vrednost |
|---|---|
| Kategorija | Delovi električnih uređaja - električni čekići |
| Tezina | 2 |
| Brend | Villager |
62,00 RSD
Ušteda:
0,00
RSD
Dodajte u korpu Obrada
| Karakteristika | Vrednost |
|---|---|
| Kategorija | Delovi električnih uređaja - električni čekići |
| Tezina | 162 |
| Brend | Villager |
702,00 RSD
Ušteda:
0,00
RSD
Dodajte u korpu Obrada
| Karakteristika | Vrednost |
|---|---|
| Kategorija | Delovi električnih uređaja - električni čekići |
| Tezina | 1000 |
| Brend | Villager |
140,00 RSD
Ušteda:
0,00
RSD
Dodajte u korpu Obrada
| Karakteristika | Vrednost |
|---|---|
| Kategorija | Delovi električnih uređaja - električni čekići |
| Tezina | 130 |
| Brend | Villager |
858,00 RSD
Ušteda:
0,00
RSD
Dodajte u korpu Obrada
| Karakteristika | Vrednost |
|---|---|
| Kategorija | Delovi električnih uređaja - električni čekići |
| Tezina | 1 |
| Brend | Villager |
62,00 RSD
Ušteda:
0,00
RSD
Dodajte u korpu Obrada
| Karakteristika | Vrednost |
|---|---|
| Kategorija | Delovi električnih uređaja - električni čekići |
| Tezina | 728 |
| Brend | Villager |
1.950,00 RSD
Ušteda:
0,00
RSD
Dodajte u korpu Obrada
| Karakteristika | Vrednost |
|---|---|
| Kategorija | Delovi električnih uređaja - električni čekići |
| Tezina | 375 |
| Brend | Villager |
1.170,00 RSD
Ušteda:
0,00
RSD
Dodajte u korpu Obrada
| Karakteristika | Vrednost |
|---|---|
| Kategorija | Delovi električnih uređaja - električni čekići |
| Tezina | 1000 |
| Brend | Villager |
70,00 RSD
Ušteda:
0,00
RSD
Dodajte u korpu Obrada
| Karakteristika | Vrednost |
|---|---|
| Kategorija | Delovi električnih uređaja - električni čekići |
| Tezina | 110 |
| Brend | Villager |
172,00 RSD
Ušteda:
0,00
RSD
Dodajte u korpu Obrada
| Karakteristika | Vrednost |
|---|---|
| Kategorija | Delovi električnih uređaja - električni čekići |
| Tezina | 46 |
| Brend | Villager |
374,00 RSD
Ušteda:
0,00
RSD
Dodajte u korpu Obrada
| Karakteristika | Vrednost |
|---|---|
| Kategorija | Delovi električnih uređaja - električni čekići |
| Tezina | 22 |
| Brend | Villager |
164,00 RSD
Ušteda:
0,00
RSD
Dodajte u korpu Obrada
| Karakteristika | Vrednost |
|---|---|
| Kategorija | Delovi električnih uređaja - električni čekići |
| Tezina | 1000 |
| Brend | Villager |
515,00 RSD
Ušteda:
0,00
RSD
Dodajte u korpu Obrada
| Karakteristika | Vrednost |
|---|---|
| Kategorija | Delovi električnih uređaja - električni čekići |
| Tezina | 109 |
| Brend | Villager |
499,00 RSD
Ušteda:
0,00
RSD
Dodajte u korpu Obrada
| Karakteristika | Vrednost |
|---|---|
| Kategorija | Radionički alati - motori |
| Tezina | 890 |
| Brend | Villager |
2.262,00 RSD
Ušteda:
0,00
RSD
Dodajte u korpu Obrada
| Karakteristika | Vrednost |
|---|---|
| Kategorija | Delovi električnih uređaja - električni čekići |
| Tezina | 1 |
| Brend | Villager |
70,00 RSD
Ušteda:
0,00
RSD
Dodajte u korpu Obrada
| Karakteristika | Vrednost |
|---|---|
| Kategorija | Delovi električnih uređaja - električni čekići |
| Tezina | 147 |
| Brend | Villager |
546,00 RSD
Ušteda:
0,00
RSD
Dodajte u korpu Obrada
| Karakteristika | Vrednost |
|---|---|
| Kategorija | Delovi električnih uređaja - električni čekići |
| Tezina | 17 |
| Brend | Villager |
234,00 RSD
Ušteda:
0,00
RSD
Dodajte u korpu Obrada
| Karakteristika | Vrednost |
|---|---|
| Kategorija | Delovi električnih uređaja - električni čekići |
| Tezina | 10 |
| Brend | Villager |
47,00 RSD
Ušteda:
0,00
RSD
Dodajte u korpu Obrada
| Karakteristika | Vrednost |
|---|---|
| Kategorija | Delovi električnih uređaja - električni čekići |
| Tezina | 1000 |
| Brend | Villager |
328,00 RSD
Ušteda:
0,00
RSD
Dodajte u korpu Obrada
| Karakteristika | Vrednost |
|---|---|
| Kategorija | Delovi električnih uređaja - električni čekići |
| Tezina | 480 |
| Brend | Villager |
1.326,00 RSD
Ušteda:
0,00
RSD
Dodajte u korpu Obrada
| Karakteristika | Vrednost |
|---|---|
| Kategorija | Delovi električnih uređaja - električni čekići |
| Tezina | 48 |
| Brend | Villager |
234,00 RSD
Ušteda:
0,00
RSD
Dodajte u korpu Obrada
| Karakteristika | Vrednost |
|---|---|
| Kategorija | Delovi električnih uređaja - električni čekići |
| Tezina | 106 |
| Brend | Villager |
515,00 RSD
Ušteda:
0,00
RSD
Dodajte u korpu Obrada
| Karakteristika | Vrednost |
|---|---|
| Kategorija | Delovi električnih uređaja - električni čekići |
| Tezina | 25 |
| Brend | Villager |
343,00 RSD
Ušteda:
0,00
RSD
Dodajte u korpu Obrada
| Karakteristika | Vrednost |
|---|---|
| Kategorija | Radionički alati - prekidači |
| Tezina | 21 |
| Brend | Villager |
390,00 RSD
Ušteda:
0,00
RSD
Dodajte u korpu Obrada
| Karakteristika | Vrednost |
|---|---|
| Kategorija | Delovi električnih uređaja - električni čekići |
| Tezina | 1 |
| Brend | Villager |
78,00 RSD
Ušteda:
0,00
RSD
Dodajte u korpu Obrada
| Karakteristika | Vrednost |
|---|---|
| Kategorija | Delovi električnih uređaja - električni čekići |
| Tezina | 2 |
| Brend | Villager |
78,00 RSD
Ušteda:
0,00
RSD
Dodajte u korpu Obrada
| Karakteristika | Vrednost |
|---|---|
| Kategorija | Delovi električnih uređaja - električni čekići |
| Tezina | 27 |
| Brend | Villager |
328,00 RSD
Ušteda:
0,00
RSD
Dodajte u korpu Obrada
| Karakteristika | Vrednost |
|---|---|
| Kategorija | Delovi električnih uređaja - električni čekići |
| Tezina | 15 |
| Brend | Villager |
94,00 RSD
Ušteda:
0,00
RSD
Dodajte u korpu Obrada
| Karakteristika | Vrednost |
|---|---|
| Kategorija | Delovi električnih uređaja - električni čekići |
| Tezina | 1000 |
| Brend | Villager |
70,00 RSD
Ušteda:
0,00
RSD
Dodajte u korpu Obrada
| Karakteristika | Vrednost |
|---|---|
| Kategorija | Delovi električnih uređaja - električni čekići |
| Tezina | 194 |
| Brend | Villager |
608,00 RSD
Ušteda:
0,00
RSD
Dodajte u korpu Obrada
| Karakteristika | Vrednost |
|---|---|
| Kategorija | Delovi električnih uređaja - električni čekići |
| Tezina | 1000 |
| Brend | Villager |
234,00 RSD
Ušteda:
0,00
RSD
Dodajte u korpu Obrada
| Karakteristika | Vrednost |
|---|---|
| Kategorija | Delovi električnih uređaja - električni čekići |
| Tezina | 1000 |
| Brend | Villager |
702,00 RSD
Ušteda:
0,00
RSD
Dodajte u korpu Obrada
| Karakteristika | Vrednost |
|---|---|
| Kategorija | Delovi električnih uređaja - električni čekići |
| Tezina | 1000 |
| Brend | Villager |
117,00 RSD
Ušteda:
0,00
RSD
Dodajte u korpu Obrada
| Karakteristika | Vrednost |
|---|---|
| Kategorija | Delovi električnih uređaja - električni čekići |
| Tezina | 1000 |
| Brend | Villager |
437,00 RSD
Ušteda:
0,00
RSD
Dodajte u korpu Obrada
| Karakteristika | Vrednost |
|---|---|
| Kategorija | Delovi električnih uređaja - električni čekići |
| Tezina | 1000 |
| Brend | Villager |
437,00 RSD
Ušteda:
0,00
RSD
Dodajte u korpu Obrada
| Karakteristika | Vrednost |
|---|---|
| Kategorija | Delovi električnih uređaja - električni čekići |
| Tezina | 8 |
| Brend | Villager |
133,00 RSD
Ušteda:
0,00
RSD
Dodajte u korpu Obrada
| Karakteristika | Vrednost |
|---|---|
| Kategorija | Delovi električnih uređaja - električni čekići |
| Tezina | 222 |
| Brend | Villager |
622,00 RSD
Ušteda:
0,00
RSD
Dodajte u korpu Obrada
| Karakteristika | Vrednost |
|---|---|
| Kategorija | Delovi električnih uređaja - električni čekići |
| Tezina | 1000 |
| Brend | Villager |
154,00 RSD
Ušteda:
0,00
RSD
Dodajte u korpu Obrada
| Karakteristika | Vrednost |
|---|---|
| Kategorija | Delovi električnih uređaja - električni čekići |
| Tezina | 1000 |
| Brend | Villager |
1.123,00 RSD
Ušteda:
0,00
RSD
Dodajte u korpu Obrada