Poštovani klijenti, kompanija Agromarket D.O.O 16.02. I 17.02. neće vršiti distribuciju robe zbog državnog praznika.
- Agromarket
- Rezervni delovi
- Delovi za radioničke alate
- Delovi električnih uređaja
- Stacionarne mašine - dijagonalne testere
- Dijagonalna testera za razrezivanje(potezna) VMS 1500-210 S
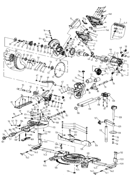
Izaberite rezervni deo klikom na mapu
Izaberite potreban rezervni deo klikom na listu
RUKOHVAT GORNJI
POLUGA PREKIDACA KPT.
RUKOHVAT DONJI
OBLOGA UVODNIK KABLA
KABAL ZA STRUJU
OPRUGA MIKROPREKIDACA
MIKROPREKIDAC
VRECA ZA PRASINU
CIVIJA KOCNICE
OPRUGA KOCNICE
PODLOSKA REZNOG ALATA UN.
KAJLA IZLAZNOG VRATILA 3X3X20
IZLAZNO VRATILO
POKLOPAC KUCISTA ZUPCANIKA
KOCNICA VRATILA
ZUPCANIK
USMERIVAC VAZDUHA
ROTOR
OBLOGA RUKAVAC LEZAJA 607
STATOR
KUCISTE STATORA
NOSAC CETKICA
CETKICA 2/1
OPRUGA LISNATA
POKLOPAC KUCISTA STATORA
PODLOSKA REZNOG ALATA SP.
PODLOSKA SRAFA REZNOG ALATA Φ22XΦ8.3X2
SRAF REZNOG ALATA M8(L)X16
NOSAC STITNIKA
OPRUGA STITNIKA
SREDNJA PLOCA
STITNIK KPT.
KUCISTE
TROKRAKI SRAF M6X25
CAURA Φ40xΦ25x58
NOSAC DONJI
OPRUGA NAGIBA
CAURA OPRUGE NAGIBA
BOLCNI OPRUGE NAGIBA
UMETAK RADNOG STOLA
RUKOHVAT
POKLOPAC RUKOHVATA
RADNI STO - POKRETNI
GUMENI PRSTEN
POKLOPAC VODJICE
VODJICA NA RADNOM STOLU
STEGA KPT.
STEGA KPT.
STEGA KPT.
STEGA KPT.
STEGA KPT.
POSTOLJE TESTERE
NASTAVAK RADNOG STOLA DESNI
NOSAC NASTAVKA RADNOG STOLA
NASTAVAK RADNOG STOLA LEVI
TRANSFORMATOR LASERA ???
PREKIDAC ZA LASER
LASER
NOSAC LASERA
Rb
Šifra
Kategorija
Naziv
1
077764 /
Stacionarne mašine - dijagonalne testere
VODJICA NA RADNOM STOLU
Detaljnije
2
077719 /
Stacionarne mašine - dijagonalne testere
POLUGA PREKIDACA KPT.
Detaljnije
3
077720 /
Stacionarne mašine - dijagonalne testere
RUKOHVAT DONJI
Detaljnije
4
077721 /
Stacionarne mašine - dijagonalne testere
OBLOGA UVODNIK KABLA
Detaljnije
5
077722 /
Stacionarne mašine - dijagonalne testere
KABAL ZA STRUJU
Detaljnije
6
077723 /
Stacionarne mašine - dijagonalne testere
OPRUGA MIKROPREKIDACA
Detaljnije
7
077724 /
Stacionarne mašine - dijagonalne testere
MIKROPREKIDAC
Detaljnije
8
077726 /
Stacionarne mašine - dijagonalne testere
CIVIJA KOCNICE
Detaljnije
9
077727 /
Stacionarne mašine - dijagonalne testere
OPRUGA KOCNICE
Detaljnije
10
077729 /
Stacionarne mašine - dijagonalne testere
KAJLA IZLAZNOG VRATILA 3X3X20
Detaljnije
11
077730 /
Stacionarne mašine - dijagonalne testere
IZLAZNO VRATILO
Detaljnije
12
077731 /
Stacionarne mašine - dijagonalne testere
POKLOPAC KUCISTA ZUPCANIKA
Detaljnije
13
077732 /
Stacionarne mašine - dijagonalne testere
KOCNICA VRATILA
Detaljnije
14
077733 /
Stacionarne mašine - dijagonalne testere
ZUPCANIK
Detaljnije
15
077735 /
Stacionarne mašine - dijagonalne testere
USMERIVAC VAZDUHA
Detaljnije
16
077736 /
Stacionarne mašine - dijagonalne testere
ROTOR
Detaljnije
17
077737 /
Stacionarne mašine - dijagonalne testere
OBLOGA RUKAVAC LEZAJA 607
Detaljnije
18
077738 /
Stacionarne mašine - dijagonalne testere
STATOR
Detaljnije
19
077740 /
Stacionarne mašine - dijagonalne testere
NOSAC CETKICA
Detaljnije
20
077741 /
Stacionarne mašine - dijagonalne testere
CETKICA 2/1
Detaljnije
21
077742 /
Stacionarne mašine - dijagonalne testere
OPRUGA LISNATA
Detaljnije
22
077743 /
Stacionarne mašine - dijagonalne testere
POKLOPAC KUCISTA STATORA
Detaljnije
23
077745 /
Stacionarne mašine - dijagonalne testere
PODLOSKA SRAFA REZNOG ALATA Φ22XΦ8.3X2
Detaljnije
24
077746 /
Stacionarne mašine - dijagonalne testere
SRAF REZNOG ALATA M8(L)X16
Detaljnije
25
077747 /
Stacionarne mašine - dijagonalne testere
NOSAC STITNIKA
Detaljnije
26
077748 /
Stacionarne mašine - dijagonalne testere
OPRUGA STITNIKA
Detaljnije
27
077749 /
Stacionarne mašine - dijagonalne testere
SREDNJA PLOCA
Detaljnije
28
077750 /
Stacionarne mašine - dijagonalne testere
STITNIK KPT.
Detaljnije
29
077751 /
Stacionarne mašine - dijagonalne testere
KUCISTE
Detaljnije
30
077752 /
Stacionarne mašine - dijagonalne testere
TROKRAKI SRAF M6X25
Detaljnije
31
077753 /
Stacionarne mašine - dijagonalne testere
CAURA Φ40xΦ25x58
Detaljnije
32
077754 /
Stacionarne mašine - dijagonalne testere
NOSAC DONJI
Detaljnije
33
077755 /
Stacionarne mašine - dijagonalne testere
OPRUGA NAGIBA
Detaljnije
34
077756 /
Stacionarne mašine - dijagonalne testere
CAURA OPRUGE NAGIBA
Detaljnije
35
077757 /
Stacionarne mašine - dijagonalne testere
BOLCNI OPRUGE NAGIBA
Detaljnije
36
077758 /
Stacionarne mašine - dijagonalne testere
UMETAK RADNOG STOLA
Detaljnije
37
077759 /
Stacionarne mašine - dijagonalne testere
RUKOHVAT
Detaljnije
38
077761 /
Stacionarne mašine - dijagonalne testere
RADNI STO - POKRETNI
Detaljnije
39
077718 /
Stacionarne mašine - dijagonalne testere
RUKOHVAT GORNJI
Detaljnije
40
077725 /
Stacionarne mašine - dijagonalne testere
VRECA ZA PRASINU
Detaljnije
41
077728 /
Stacionarne mašine - dijagonalne testere
PODLOSKA REZNOG ALATA UN.
Detaljnije
42
077760 /
Stacionarne mašine - dijagonalne testere
POKLOPAC RUKOHVATA
Detaljnije
43
077762 /
Stacionarne mašine - dijagonalne testere
GUMENI PRSTEN
Detaljnije
44
077763 /
Stacionarne mašine - dijagonalne testere
POKLOPAC VODJICE
Detaljnije
45
077765 /
Stacionarne mašine - dijagonalne testere
STEGA KPT.
Detaljnije
46
077766 /
Stacionarne mašine - dijagonalne testere
POSTOLJE TESTERE
Detaljnije
47
077767 /
Stacionarne mašine - dijagonalne testere
NASTAVAK RADNOG STOLA DESNI
Detaljnije
48
077768 /
Stacionarne mašine - dijagonalne testere
NOSAC NASTAVKA RADNOG STOLA
Detaljnije
49
077769 /
Stacionarne mašine - dijagonalne testere
NASTAVAK RADNOG STOLA LEVI
Detaljnije
50
077770 /
Stacionarne mašine - dijagonalne testere
TRANSFORMATOR LASERA ???
Detaljnije
51
077771 /
Stacionarne mašine - dijagonalne testere
PREKIDAC ZA LASER
Detaljnije
52
077772 /
Stacionarne mašine - dijagonalne testere
LASER
Detaljnije
53
077773 /
Stacionarne mašine - dijagonalne testere
NOSAC LASERA
Detaljnije
| Karakteristika | Vrednost |
|---|---|
| Kategorija | Stacionarne mašine - dijagonalne testere |
| Tezina | 150 |
| Brend | Villager |
1.716,00 RSD
Ušteda:
0,00
RSD
Dodajte u korpu Obrada
| Karakteristika | Vrednost |
|---|---|
| Kategorija | Stacionarne mašine - dijagonalne testere |
| Tezina | 10 |
| Brend | Villager |
164,00 RSD
Ušteda:
0,00
RSD
Dodajte u korpu Obrada
| Karakteristika | Vrednost |
|---|---|
| Kategorija | Stacionarne mašine - dijagonalne testere |
| Tezina | 150 |
| Brend | Villager |
764,00 RSD
Ušteda:
0,00
RSD
Dodajte u korpu Obrada
| Karakteristika | Vrednost |
|---|---|
| Kategorija | Stacionarne mašine - dijagonalne testere |
| Tezina | 20 |
| Brend | Villager |
78,00 RSD
Ušteda:
0,00
RSD
Dodajte u korpu Obrada
| Karakteristika | Vrednost |
|---|---|
| Kategorija | Stacionarne mašine - dijagonalne testere |
| Tezina | 170 |
| Brend | Villager |
1.014,00 RSD
Ušteda:
0,00
RSD
Dodajte u korpu Obrada
| Karakteristika | Vrednost |
|---|---|
| Kategorija | Stacionarne mašine - dijagonalne testere |
| Tezina | 1 |
| Brend | Villager |
39,00 RSD
Ušteda:
0,00
RSD
Dodajte u korpu Obrada
| Karakteristika | Vrednost |
|---|---|
| Kategorija | Stacionarne mašine - dijagonalne testere |
| Tezina | 7 |
| Brend | Villager |
546,00 RSD
Ušteda:
0,00
RSD
Dodajte u korpu Obrada
| Karakteristika | Vrednost |
|---|---|
| Kategorija | Stacionarne mašine - dijagonalne testere |
| Tezina | 15 |
| Brend | Villager |
218,00 RSD
Ušteda:
0,00
RSD
Dodajte u korpu Obrada
| Karakteristika | Vrednost |
|---|---|
| Kategorija | Stacionarne mašine - dijagonalne testere |
| Tezina | 10 |
| Brend | Villager |
39,00 RSD
Ušteda:
0,00
RSD
Dodajte u korpu Obrada
| Karakteristika | Vrednost |
|---|---|
| Kategorija | Stacionarne mašine - dijagonalne testere |
| Tezina | 1 |
| Brend | Villager |
39,00 RSD
Ušteda:
0,00
RSD
Dodajte u korpu Obrada
| Karakteristika | Vrednost |
|---|---|
| Kategorija | Stacionarne mašine - dijagonalne testere |
| Tezina | 48 |
| Brend | Villager |
702,00 RSD
Ušteda:
0,00
RSD
Dodajte u korpu Obrada
| Karakteristika | Vrednost |
|---|---|
| Kategorija | Stacionarne mašine - dijagonalne testere |
| Tezina | 4 |
| Brend | Villager |
234,00 RSD
Ušteda:
0,00
RSD
Dodajte u korpu Obrada
| Karakteristika | Vrednost |
|---|---|
| Kategorija | Stacionarne mašine - dijagonalne testere |
| Tezina | 37 |
| Brend | Villager |
296,00 RSD
Ušteda:
0,00
RSD
Dodajte u korpu Obrada
| Karakteristika | Vrednost |
|---|---|
| Kategorija | Stacionarne mašine - dijagonalne testere |
| Tezina | 81 |
| Brend | Villager |
1.014,00 RSD
Ušteda:
0,00
RSD
Dodajte u korpu Obrada
| Karakteristika | Vrednost |
|---|---|
| Kategorija | Stacionarne mašine - dijagonalne testere |
| Tezina | 3 |
| Brend | Villager |
172,00 RSD
Ušteda:
0,00
RSD
Dodajte u korpu Obrada
| Karakteristika | Vrednost |
|---|---|
| Kategorija | Stacionarne mašine - dijagonalne testere |
| Tezina | 600 |
| Brend | Villager |
4.368,00 RSD
Ušteda:
0,00
RSD
Dodajte u korpu Obrada
| Karakteristika | Vrednost |
|---|---|
| Kategorija | Stacionarne mašine - dijagonalne testere |
| Tezina | 5 |
| Brend | Villager |
78,00 RSD
Ušteda:
0,00
RSD
Dodajte u korpu Obrada
| Karakteristika | Vrednost |
|---|---|
| Kategorija | Stacionarne mašine - dijagonalne testere |
| Tezina | 600 |
| Brend | Villager |
1.950,00 RSD
Ušteda:
0,00
RSD
Dodajte u korpu Obrada
| Karakteristika | Vrednost |
|---|---|
| Kategorija | Stacionarne mašine - dijagonalne testere |
| Tezina | 1 |
| Brend | Villager |
109,00 RSD
Ušteda:
0,00
RSD
Dodajte u korpu Obrada
| Karakteristika | Vrednost |
|---|---|
| Kategorija | Stacionarne mašine - dijagonalne testere |
| Tezina | 2 |
| Brend | Villager |
468,00 RSD
Ušteda:
0,00
RSD
Dodajte u korpu Obrada
| Karakteristika | Vrednost |
|---|---|
| Kategorija | Stacionarne mašine - dijagonalne testere |
| Tezina | 1 |
| Brend | Villager |
47,00 RSD
Ušteda:
0,00
RSD
Dodajte u korpu Obrada
| Karakteristika | Vrednost |
|---|---|
| Kategorija | Stacionarne mašine - dijagonalne testere |
| Tezina | 90 |
| Brend | Villager |
281,00 RSD
Ušteda:
0,00
RSD
Dodajte u korpu Obrada
| Karakteristika | Vrednost |
|---|---|
| Kategorija | Stacionarne mašine - dijagonalne testere |
| Tezina | 3 |
| Brend | Villager |
31,00 RSD
Ušteda:
0,00
RSD
Dodajte u korpu Obrada
| Karakteristika | Vrednost |
|---|---|
| Kategorija | Stacionarne mašine - dijagonalne testere |
| Tezina | 2 |
| Brend | Villager |
234,00 RSD
Ušteda:
0,00
RSD
Dodajte u korpu Obrada
| Karakteristika | Vrednost |
|---|---|
| Kategorija | Stacionarne mašine - dijagonalne testere |
| Tezina | 1 |
| Brend | Villager |
296,00 RSD
Ušteda:
0,00
RSD
Dodajte u korpu Obrada
| Karakteristika | Vrednost |
|---|---|
| Kategorija | Stacionarne mašine - dijagonalne testere |
| Tezina | 10 |
| Brend | Villager |
39,00 RSD
Ušteda:
0,00
RSD
Dodajte u korpu Obrada
| Karakteristika | Vrednost |
|---|---|
| Kategorija | Stacionarne mašine - dijagonalne testere |
| Tezina | 150 |
| Brend | Villager |
78,00 RSD
Ušteda:
0,00
RSD
Dodajte u korpu Obrada
| Karakteristika | Vrednost |
|---|---|
| Kategorija | Stacionarne mašine - dijagonalne testere |
| Tezina | 950 |
| Brend | Villager |
1.872,00 RSD
Ušteda:
0,00
RSD
Dodajte u korpu Obrada
| Karakteristika | Vrednost |
|---|---|
| Kategorija | Stacionarne mašine - dijagonalne testere |
| Tezina | 200 |
| Brend | Villager |
2.418,00 RSD
Ušteda:
0,00
RSD
Dodajte u korpu Obrada
| Karakteristika | Vrednost |
|---|---|
| Kategorija | Stacionarne mašine - dijagonalne testere |
| Tezina | 2 |
| Brend | Villager |
86,00 RSD
Ušteda:
0,00
RSD
Dodajte u korpu Obrada
| Karakteristika | Vrednost |
|---|---|
| Kategorija | Stacionarne mašine - dijagonalne testere |
| Tezina | 200 |
| Brend | Villager |
1.326,00 RSD
Ušteda:
0,00
RSD
Dodajte u korpu Obrada
| Karakteristika | Vrednost |
|---|---|
| Kategorija | Stacionarne mašine - dijagonalne testere |
| Tezina | 100 |
| Brend | Villager |
1.139,00 RSD
Ušteda:
0,00
RSD
Dodajte u korpu Obrada
| Karakteristika | Vrednost |
|---|---|
| Kategorija | Stacionarne mašine - dijagonalne testere |
| Tezina | 126 |
| Brend | Villager |
546,00 RSD
Ušteda:
0,00
RSD
Dodajte u korpu Obrada
| Karakteristika | Vrednost |
|---|---|
| Kategorija | Stacionarne mašine - dijagonalne testere |
| Tezina | 30 |
| Brend | Villager |
62,00 RSD
Ušteda:
0,00
RSD
Dodajte u korpu Obrada
| Karakteristika | Vrednost |
|---|---|
| Kategorija | Stacionarne mašine - dijagonalne testere |
| Tezina | 400 |
| Brend | Villager |
296,00 RSD
Ušteda:
0,00
RSD
Dodajte u korpu Obrada
| Karakteristika | Vrednost |
|---|---|
| Kategorija | Stacionarne mašine - dijagonalne testere |
| Tezina | 1 |
| Brend | Villager |
281,00 RSD
Ušteda:
0,00
RSD
Dodajte u korpu Obrada
| Karakteristika | Vrednost |
|---|---|
| Kategorija | Stacionarne mašine - dijagonalne testere |
| Tezina | 60 |
| Brend | Villager |
234,00 RSD
Ušteda:
0,00
RSD
Dodajte u korpu Obrada
| Karakteristika | Vrednost |
|---|---|
| Kategorija | Stacionarne mašine - dijagonalne testere |
| Tezina | 400 |
| Brend | Villager |
3.432,00 RSD
Ušteda:
0,00
RSD
Dodajte u korpu Obrada
| Karakteristika | Vrednost |
|---|---|
| Kategorija | Stacionarne mašine - dijagonalne testere |
| Tezina | 150 |
| Brend | Villager |
1.076,00 RSD
Ušteda:
0,00
RSD
Dodajte u korpu Obrada
| Karakteristika | Vrednost |
|---|---|
| Kategorija | Stacionarne mašine - dijagonalne testere |
| Tezina | 500 |
| Brend | Villager |
546,00 RSD
Ušteda:
0,00
RSD
Dodajte u korpu Obrada
| Karakteristika | Vrednost |
|---|---|
| Kategorija | Stacionarne mašine - dijagonalne testere |
| Tezina | 10 |
| Brend | Villager |
273,00 RSD
Ušteda:
0,00
RSD
Dodajte u korpu Obrada
| Karakteristika | Vrednost |
|---|---|
| Kategorija | Stacionarne mašine - dijagonalne testere |
| Tezina | 50 |
| Brend | Villager |
78,00 RSD
Ušteda:
0,00
RSD
Dodajte u korpu Obrada
| Karakteristika | Vrednost |
|---|---|
| Kategorija | Stacionarne mašine - dijagonalne testere |
| Tezina | 2 |
| Brend | Villager |
39,00 RSD
Ušteda:
0,00
RSD
Dodajte u korpu Obrada
| Karakteristika | Vrednost |
|---|---|
| Kategorija | Stacionarne mašine - dijagonalne testere |
| Tezina | 35 |
| Brend | Villager |
328,00 RSD
Ušteda:
0,00
RSD
Dodajte u korpu Obrada
| Karakteristika | Vrednost |
|---|---|
| Kategorija | Stacionarne mašine - dijagonalne testere |
| Tezina | 550 |
| Brend | Villager |
967,00 RSD
Ušteda:
0,00
RSD
Dodajte u korpu Obrada
| Karakteristika | Vrednost |
|---|---|
| Kategorija | Stacionarne mašine - dijagonalne testere |
| Tezina | 450 |
| Brend | Villager |
4.290,00 RSD
Ušteda:
0,00
RSD
Dodajte u korpu Obrada
| Karakteristika | Vrednost |
|---|---|
| Kategorija | Stacionarne mašine - dijagonalne testere |
| Tezina | 1 |
| Brend | Villager |
250,00 RSD
Ušteda:
0,00
RSD
Dodajte u korpu Obrada
| Karakteristika | Vrednost |
|---|---|
| Kategorija | Stacionarne mašine - dijagonalne testere |
| Tezina | 150 |
| Brend | Villager |
484,00 RSD
Ušteda:
0,00
RSD
Dodajte u korpu Obrada
| Karakteristika | Vrednost |
|---|---|
| Kategorija | Stacionarne mašine - dijagonalne testere |
| Tezina | 400 |
| Brend | Villager |
250,00 RSD
Ušteda:
0,00
RSD
Dodajte u korpu Obrada
| Karakteristika | Vrednost |
|---|---|
| Kategorija | Stacionarne mašine - dijagonalne testere |
| Tezina | 100 |
| Brend | Villager |
1.014,00 RSD
Ušteda:
0,00
RSD
Dodajte u korpu Obrada
| Karakteristika | Vrednost |
|---|---|
| Kategorija | Stacionarne mašine - dijagonalne testere |
| Tezina | 60 |
| Brend | Villager |
195,00 RSD
Ušteda:
0,00
RSD
Dodajte u korpu Obrada
| Karakteristika | Vrednost |
|---|---|
| Kategorija | Stacionarne mašine - dijagonalne testere |
| Tezina | 25 |
| Brend | Villager |
1.170,00 RSD
Ušteda:
0,00
RSD
Dodajte u korpu Obrada
| Karakteristika | Vrednost |
|---|---|
| Kategorija | Stacionarne mašine - dijagonalne testere |
| Tezina | 5 |
| Brend | Villager |
78,00 RSD
Ušteda:
0,00
RSD
Dodajte u korpu Obrada