Pretraži sajt
%
×
Državni praznik

Poštovani klijenti, kompanija Agromarket D.O.O 16.02. I 17.02. neće vršiti distribuciju robe zbog državnog praznika.

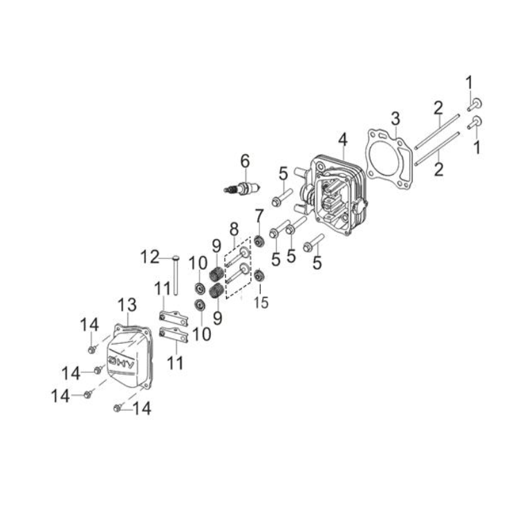
Izaberite rezervni deo klikom na mapu
Izaberite potreban rezervni deo klikom na listu
FILTER GORIVA
DIHTUNG FILTERA VAZDUHA
MATICA MAGNETA ELEKTRONIKA KPT.
DISTANCA KARBURATORA DIHTUNG KARBURATORA
OSIGURAC BOLCNIJA KLIPA
SEDISTE VENTILA PODIZAC-SIPKA VENTILA VENTILI SET 44228 OPRUGA VENTILA NOSAC OPRUGE VENTILA KLACKALICA VENTILA POKLOPAC GLAVE MOTORA
SEMERING RADILICE DONJI 25X40X7
SEMERING RADILICE GORNJI 22X41.3X6 POLUGA GASA-ZICANA OPRUGA GASA
Rb
Šifra
Kategorija
Naziv
1
066904 /
Filteri - za gorivo
FILTER GORIVA
Detaljnije
Rb
Šifra
Kategorija
Naziv
1
066969 /
Delovi 4T motora - dihtunzi
DIHTUNG FILTERA VAZDUHA
Detaljnije
Rb
Šifra
Kategorija
Naziv
1
066969 /
Delovi 4T motora - dihtunzi
DIHTUNG FILTERA VAZDUHA
Detaljnije
Rb
Šifra
Kategorija
Naziv
1
066925 /
Delovi 4T motora - paljenje
ELEKTRONIKA KPT.
Detaljnije
2
074067 /
Delovi 4T motora - ostalo
MATICA MAGNETA
Detaljnije
Rb
Šifra
Kategorija
Naziv
1
066963 /
Delovi 4T motora - dihtunzi
DIHTUNG KARBURATORA
Detaljnije
2
066964 /
Delovi 4T motora - karburatori
DISTANCA KARBURATORA
Detaljnije
Rb
Šifra
Kategorija
Naziv
1
066893 /
Delovi 4T motora - ostalo
OSIGURAC BOLCNIJA KLIPA
Detaljnije
Rb
Šifra
Kategorija
Naziv
1
066893 /
Delovi 4T motora - ostalo
OSIGURAC BOLCNIJA KLIPA
Detaljnije
Rb
Šifra
Kategorija
Naziv
1
066901 /
Delovi 4T motora - ostalo
PODIZAC-SIPKA VENTILA
Detaljnije
2
066911 /
Delovi 4T motora - ostalo
VENTILI SET 44228
Detaljnije
3
066917 /
Delovi kosačice
POKLOPAC GLAVE MOTORA
Detaljnije
4
066918 /
Delovi 4T motora - starteri
KLACKALICA VENTILA
Detaljnije
5
066945 /
Delovi 4T motora - ostalo
SEDISTE VENTILA
Detaljnije
6
066972 /
Delovi 4T motora - ostalo
OPRUGA VENTILA
Detaljnije
7
066980 /
Delovi 4T motora - ostalo
NOSAC OPRUGE VENTILA
Detaljnije
Rb
Šifra
Kategorija
Naziv
1
066906 /
Delovi 4T motora - ostalo
SEMERING RADILICE DONJI 25X40X7
Detaljnije
Rb
Šifra
Kategorija
Naziv
1
066906 /
Delovi 4T motora - ostalo
SEMERING RADILICE DONJI 25X40X7
Detaljnije
Rb
Šifra
Kategorija
Naziv
1
066888 /
Delovi 4T motora - ostalo
POLUGA GASA-ZICANA
Detaljnije
2
066960 /
Delovi 4T motora - ostalo
OPRUGA GASA
Detaljnije
3
066975 /
Delovi 4T motora - ostalo
SEMERING RADILICE GORNJI 22X41.3X6
Detaljnije