Poštovani klijenti, kompanija Agromarket D.O.O 16.02. I 17.02. neće vršiti distribuciju robe zbog državnog praznika.
- Agromarket
- Rezervni delovi
- Delovi za baštenske alate
- Delovi uređaja
- Delovi kosačica
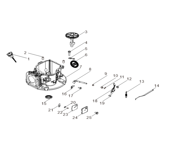
- Motorna kosačica AGM 4024
Izaberite rezervni deo klikom na mapu
Izaberite potreban rezervni deo klikom na listu
DIHTUNG KARBURATORA
DIHTUNG FILTERA VAZDUHA
FILTER GORIVA
OPRUGA VENTILA
SEMERING RADILICE DONJI 23.4X36.4X6
Rb
Šifra
Kategorija
Naziv
1
030620 /
Delovi čistača snega
ZAPTIVAC RUKAVCA
Detaljnije
2
052269 /
Delovi električnih uređaja - brusilice
NOSAC CETKICA II
Detaljnije
3
052274 /
Delovi električnih uređaja - brusilice
VENTILATOR PLAS.
Detaljnije
4
052276 /
Delovi električnih uređaja - brusilice
DRZAC SMIRGLE ZICANI
Detaljnije
5
052277 /
Delovi električnih uređaja - brusilice
AMORTIZER POSTOLJA
Detaljnije
6
052278 /
Delovi električnih uređaja - brusilice
RADNA PLOCA ALUMINIJUM
Detaljnije
7
052280 /
Delovi električnih uređaja - brusilice
EKSCENTAR
Detaljnije
8
052281 /
Delovi električnih uređaja - brusilice
KABAL ZA STRUJU
Detaljnije
9
029527 /
Delovi perača
SEMERING 14 x 22 x 5
Detaljnije
10
037187 /
Delovi kosačice
POLUGA POGONA
Detaljnije
11
040136 /
Baštenski alati - sajle
SAJLA GASA
Detaljnije
12
052282 /
Baterijski delovi uređaja - bušilice
KUCISTE DESNO
Detaljnije
13
052290 /
Baterijski delovi uređaja - bušilice
KUCISTE LEVO
Detaljnije
14
028287 /
Delovi 2T motora - ostalo
POKLOPAC REZERVOARA GORIVA
Detaljnije
15
052293 /
Delovi električnih uređaja - renda
PLOCA ZA PODESAVANJE
Detaljnije
16
052296 /
Delovi električnih uređaja - renda
OSOVINA ZA PODESAVANJE DUBINE
Detaljnije
17
045993 /
Delovi električnih uređaja - kompresori
CEV DUZA
Detaljnije
18
052299 /
Delovi električnih uređaja - renda
VODJICA ZA DUBINU
Detaljnije
19
052300 /
Delovi električnih uređaja - renda
PREKLOPNIK
Detaljnije
20
052304 /
Delovi električnih uređaja - renda
VODJICA DONJA METALNA
Detaljnije
21
052310 /
Delovi električnih uređaja - renda
KABAL ZA STRUJU
Detaljnije
22
024651 /
Delovi trimera
PREKIDAC
Detaljnije
23
044641 /
Delovi trimera
SPOJNICA KARDANA
Detaljnije
24
052312 /
Delovi električnih uređaja - renda
SAKUPLJAC PRASINE
Detaljnije
25
025942 /
Delovi perača
PISTOLJ SA MLAZNICOM
Detaljnije
26
052313 /
Delovi električnih uređaja - renda
KAISNIK REMENICA MANJI
Detaljnije
27
052317 /
Delovi električnih uređaja - renda
PLOCA BAZA
Detaljnije
28
052319 /
Delovi električnih uređaja - renda
KUCISTE DESNO
Detaljnije
29
052323 /
Delovi električnih uređaja - renda
USMERIVAC VAZDUHA
Detaljnije
30
052307 /
Delovi električnih uređaja - renda
NOSAC CETKICE 1/1
Detaljnije
31
052324 /
Delovi električnih uređaja - renda
VALJAK SEKAC SA NOZEVIMA
Detaljnije
32
052327 /
Delovi električnih uređaja - renda
KAISNIK REMENICA VECA
Detaljnije
33
019892 /
Delovi 2T motora - ostalo
SEMERING 13 x 20 x 4.5
Detaljnije
34
042552 /
Delovi perača
KOSA PLOCA
Detaljnije
35
052328 /
Delovi električnih uređaja - renda
NOZ 2/1
Detaljnije
36
039082 /
Baštenski alati - pribor za orezivanje
NOZ ZA MAKAZE SA RUCICOM 80 CM
Detaljnije
37
044440 /
Delovi 4T motora - karburatori
KARBURATOR KPT.
Detaljnije
38
021974 /
Baštenski alati - gume
TOCAK D150
Detaljnije
39
042490 /
Baštenski alati - sajle
SAJLA POGONA
Detaljnije
40
053647 /
Delovi traktor kosačica
OPRUGA USMERIVACA TRAVE
Detaljnije
41
052088 /
Radionički alati - prekidači
PREKIDAC ON/OFF
Detaljnije
42
023082 /
Delovi cepača
CEV ULJA DUZA 39 CM
Detaljnije
43
017076 /
Delovi 2T motora - paljenje
PREKIDAC
Detaljnije
44
029882 /
Delovi lančanih testera
RUKOHVAT GORNJI
Detaljnije
45
029115 /
Delovi prskalica
Starter kpt. za motornu prskalicu na kolicima Villager VS 30
Detaljnije
46
048481 /
Delovi 2T motora - ostalo
CEP GORIVA KPT.
Detaljnije
47
010587 /
Ležajevi - igličasti
LEZAJ MALE PESNICE 11x15x12.5
Detaljnije
48
012292 /
Delovi lančanih testera
NOSAC ODUSKA
Detaljnije
49
047488 /
Delovi električnih uređaja - električni čekići
CETKICA 1/1
Detaljnije
50
055603 /
Delovi električnih uređaja - usisivači
CREVO
Detaljnije
51
032833 /
Noževi za električne kosačice
VIJAK NOZA 8 X 20/8,8
Detaljnije
52
032465 /
Delovi 2T motora - karburatori
KARBURATOR
Detaljnije
53
011411 /
Radionički alati - prekidači
PREKIDAC II (za cekic)
Detaljnije
54
040554 /
Delovi 4T motora - dihtunzi
DIHTUNG KUCISTA RADILICE
Detaljnije
55
011482 /
Delovi električnih uređaja - bušilice
VRATILO
Detaljnije
56
032529 /
Delovi prskalica
AMORTIZER KANISTERA GORNJI
Detaljnije
57
036879 /
Delovi 2T motora - cilindri i klipovi
CILINDAR 34 mm
Detaljnije
58
032824 /
Delovi kosačice
TOCAK PREDNJI 140 MM
Detaljnije
59
020942 /
Delovi prskalica
Brener sa diznom za motornu leđnu prskalicu PS 15E - PS 20 - DM-25
Detaljnije
60
050807 /
Delovi pumpi
SRAF RADNOG KOLA
Detaljnije
61
012942 /
Delovi traktor kosačica
REMENICA NOZA
Detaljnije
62
020322 /
Lančanici
LANCANIK LANCA
Detaljnije
63
013486 /
Delovi 2T motora - ostalo
Rezervoar goriva komplet za motorni trimer BC1250S do 2016 god. - BC1900S do 2016 god. - AGM520
Detaljnije
64
047446 /
Delovi električnih uređaja - električni čekići
NOSAC ALATA
Detaljnije
65
039351 /
Delovi 2T motora - karburatori
KARBURATOR
Detaljnije
66
025381 /
Delovi lančanih testera
AMORTIZER 2-opruga
Detaljnije
67
010636 /
Delovi lančanih testera
POLUGA GASA
Detaljnije
68
047930 /
Baštenski alati - baterijski alati
NOZ ZA ZIVU OGRADU KPT.
Detaljnije
69
032122 /
Delovi pumpi
KUCISTE RADNOG KOLA
Detaljnije
70
024524 /
Delovi električnih uređaja - električni čekići
DUGME
Detaljnije
71
052478 /
Delovi 4T motora - ostalo
RAM - NOSAC MOTORA
Detaljnije
72
052481 /
Delovi električnih uređaja - usisivači
CREVO USISIVACA
Detaljnije
73
024653 /
Delovi trimera
OBLOGA RUCKE
Detaljnije
74
020297 /
Baštenski alati - sajle
SAJLA KAISNIKA P
Detaljnije
75
019869 /
Delovi električnih uređaja - ubodne testere
GRAFITNA CETKICA 2/1
Detaljnije
76
052912 /
Delovi električnih uređaja - ručne kružne testere
RUKOHVAT DESNI
Detaljnije
77
052913 /
Delovi električnih uređaja - ručne kružne testere
KABAL SA UTIKACEM
Detaljnije
78
052915 /
Delovi električnih uređaja - ručne kružne testere
RUKOHVAT LEVI
Detaljnije
79
052918 /
Delovi električnih uređaja - ručne kružne testere
POLUGA BLOKADE
Detaljnije
80
024895 /
Delovi kultivatora
KLIN 8X32 MM
Detaljnije
81
052921 /
Delovi električnih uređaja - ručne kružne testere
USMERIVAC VAZDUHA
Detaljnije
82
033595 /
Delovi pumpi
RAVNA PODLOSKA
Detaljnije
83
052924 /
Delovi električnih uređaja - ručne kružne testere
KUCISTE STATORA
Detaljnije
84
052698 /
Delovi električnih uređaja - agregati
BLOK MOTORA
Detaljnije
85
052699 /
Delovi električnih uređaja - agregati
SENZOR ZA ULJE
Detaljnije
86
052700 /
Delovi električnih uređaja - agregati
SEMERING RADILICE
Detaljnije
87
052701 /
Delovi električnih uređaja - agregati
LEZAJ RADILICE
Detaljnije
88
052702 /
Delovi električnih uređaja - agregati
RADILICA
Detaljnije
89
052703 /
Delovi električnih uređaja - agregati
KLIP
Detaljnije
90
052704 /
Delovi električnih uređaja - agregati
KARIKE, SET 3/1
Detaljnije
91
052705 /
Delovi električnih uređaja - agregati
BOLCNI KLIPA
Detaljnije
92
052706 /
Delovi električnih uređaja - agregati
OSIGURAC BOLCNIJA KLIPA
Detaljnije
93
052707 /
Delovi električnih uređaja - agregati
KLIPNJACA KPT.
Detaljnije
94
052708 /
Delovi električnih uređaja - agregati
SEDISTE VENTILA
Detaljnije
95
052709 /
Delovi električnih uređaja - agregati
BREGASTA OSOVINA
Detaljnije
96
052710 /
Delovi električnih uređaja - agregati
DIHTUNG KUCISTA
Detaljnije
97
052711 /
Delovi električnih uređaja - agregati
POKLOPAC KUCISTA RADILICE
Detaljnije
98
052712 /
Delovi električnih uređaja - agregati
MERAC ZA ULJE
Detaljnije
99
052713 /
Delovi električnih uređaja - agregati
DIHTUNG GLAVE MOTORA
Detaljnije
100
052714 /
Delovi električnih uređaja - agregati
GLAVA MOTORA
Detaljnije
Rb
Šifra
Kategorija
Naziv
1
030620 /
Delovi čistača snega
ZAPTIVAC RUKAVCA
Detaljnije
2
052269 /
Delovi električnih uređaja - brusilice
NOSAC CETKICA II
Detaljnije
3
052274 /
Delovi električnih uređaja - brusilice
VENTILATOR PLAS.
Detaljnije
4
052276 /
Delovi električnih uređaja - brusilice
DRZAC SMIRGLE ZICANI
Detaljnije
5
052277 /
Delovi električnih uređaja - brusilice
AMORTIZER POSTOLJA
Detaljnije
6
052278 /
Delovi električnih uređaja - brusilice
RADNA PLOCA ALUMINIJUM
Detaljnije
7
052280 /
Delovi električnih uređaja - brusilice
EKSCENTAR
Detaljnije
8
052281 /
Delovi električnih uređaja - brusilice
KABAL ZA STRUJU
Detaljnije
9
029527 /
Delovi perača
SEMERING 14 x 22 x 5
Detaljnije
10
037187 /
Delovi kosačice
POLUGA POGONA
Detaljnije
11
040136 /
Baštenski alati - sajle
SAJLA GASA
Detaljnije
12
052282 /
Baterijski delovi uređaja - bušilice
KUCISTE DESNO
Detaljnije
13
052290 /
Baterijski delovi uređaja - bušilice
KUCISTE LEVO
Detaljnije
14
028287 /
Delovi 2T motora - ostalo
POKLOPAC REZERVOARA GORIVA
Detaljnije
15
052293 /
Delovi električnih uređaja - renda
PLOCA ZA PODESAVANJE
Detaljnije
16
052296 /
Delovi električnih uređaja - renda
OSOVINA ZA PODESAVANJE DUBINE
Detaljnije
17
045993 /
Delovi električnih uređaja - kompresori
CEV DUZA
Detaljnije
18
052299 /
Delovi električnih uređaja - renda
VODJICA ZA DUBINU
Detaljnije
19
052300 /
Delovi električnih uređaja - renda
PREKLOPNIK
Detaljnije
20
052304 /
Delovi električnih uređaja - renda
VODJICA DONJA METALNA
Detaljnije
21
052310 /
Delovi električnih uređaja - renda
KABAL ZA STRUJU
Detaljnije
22
024651 /
Delovi trimera
PREKIDAC
Detaljnije
23
044641 /
Delovi trimera
SPOJNICA KARDANA
Detaljnije
24
052312 /
Delovi električnih uređaja - renda
SAKUPLJAC PRASINE
Detaljnije
25
025942 /
Delovi perača
PISTOLJ SA MLAZNICOM
Detaljnije
26
052313 /
Delovi električnih uređaja - renda
KAISNIK REMENICA MANJI
Detaljnije
27
052317 /
Delovi električnih uređaja - renda
PLOCA BAZA
Detaljnije
28
052319 /
Delovi električnih uređaja - renda
KUCISTE DESNO
Detaljnije
29
052323 /
Delovi električnih uređaja - renda
USMERIVAC VAZDUHA
Detaljnije
30
052307 /
Delovi električnih uređaja - renda
NOSAC CETKICE 1/1
Detaljnije
31
052324 /
Delovi električnih uređaja - renda
VALJAK SEKAC SA NOZEVIMA
Detaljnije
32
052327 /
Delovi električnih uređaja - renda
KAISNIK REMENICA VECA
Detaljnije
33
019892 /
Delovi 2T motora - ostalo
SEMERING 13 x 20 x 4.5
Detaljnije
34
042552 /
Delovi perača
KOSA PLOCA
Detaljnije
35
052328 /
Delovi električnih uređaja - renda
NOZ 2/1
Detaljnije
36
039082 /
Baštenski alati - pribor za orezivanje
NOZ ZA MAKAZE SA RUCICOM 80 CM
Detaljnije
37
044440 /
Delovi 4T motora - karburatori
KARBURATOR KPT.
Detaljnije
38
021974 /
Baštenski alati - gume
TOCAK D150
Detaljnije
39
042490 /
Baštenski alati - sajle
SAJLA POGONA
Detaljnije
40
053647 /
Delovi traktor kosačica
OPRUGA USMERIVACA TRAVE
Detaljnije
41
052088 /
Radionički alati - prekidači
PREKIDAC ON/OFF
Detaljnije
42
023082 /
Delovi cepača
CEV ULJA DUZA 39 CM
Detaljnije
43
017076 /
Delovi 2T motora - paljenje
PREKIDAC
Detaljnije
44
029882 /
Delovi lančanih testera
RUKOHVAT GORNJI
Detaljnije
45
029115 /
Delovi prskalica
Starter kpt. za motornu prskalicu na kolicima Villager VS 30
Detaljnije
46
048481 /
Delovi 2T motora - ostalo
CEP GORIVA KPT.
Detaljnije
47
010587 /
Ležajevi - igličasti
LEZAJ MALE PESNICE 11x15x12.5
Detaljnije
48
012292 /
Delovi lančanih testera
NOSAC ODUSKA
Detaljnije
49
047488 /
Delovi električnih uređaja - električni čekići
CETKICA 1/1
Detaljnije
50
055603 /
Delovi električnih uređaja - usisivači
CREVO
Detaljnije
51
032833 /
Noževi za električne kosačice
VIJAK NOZA 8 X 20/8,8
Detaljnije
52
032465 /
Delovi 2T motora - karburatori
KARBURATOR
Detaljnije
53
011411 /
Radionički alati - prekidači
PREKIDAC II (za cekic)
Detaljnije
54
040554 /
Delovi 4T motora - dihtunzi
DIHTUNG KUCISTA RADILICE
Detaljnije
55
011482 /
Delovi električnih uređaja - bušilice
VRATILO
Detaljnije
56
032529 /
Delovi prskalica
AMORTIZER KANISTERA GORNJI
Detaljnije
57
036879 /
Delovi 2T motora - cilindri i klipovi
CILINDAR 34 mm
Detaljnije
58
032824 /
Delovi kosačice
TOCAK PREDNJI 140 MM
Detaljnije
59
020942 /
Delovi prskalica
Brener sa diznom za motornu leđnu prskalicu PS 15E - PS 20 - DM-25
Detaljnije
60
050807 /
Delovi pumpi
SRAF RADNOG KOLA
Detaljnije
61
012942 /
Delovi traktor kosačica
REMENICA NOZA
Detaljnije
62
020322 /
Lančanici
LANCANIK LANCA
Detaljnije
63
013486 /
Delovi 2T motora - ostalo
Rezervoar goriva komplet za motorni trimer BC1250S do 2016 god. - BC1900S do 2016 god. - AGM520
Detaljnije
64
047446 /
Delovi električnih uređaja - električni čekići
NOSAC ALATA
Detaljnije
65
039351 /
Delovi 2T motora - karburatori
KARBURATOR
Detaljnije
66
025381 /
Delovi lančanih testera
AMORTIZER 2-opruga
Detaljnije
67
010636 /
Delovi lančanih testera
POLUGA GASA
Detaljnije
68
047930 /
Baštenski alati - baterijski alati
NOZ ZA ZIVU OGRADU KPT.
Detaljnije
69
032122 /
Delovi pumpi
KUCISTE RADNOG KOLA
Detaljnije
70
024524 /
Delovi električnih uređaja - električni čekići
DUGME
Detaljnije
71
052478 /
Delovi 4T motora - ostalo
RAM - NOSAC MOTORA
Detaljnije
72
052481 /
Delovi električnih uređaja - usisivači
CREVO USISIVACA
Detaljnije
73
024653 /
Delovi trimera
OBLOGA RUCKE
Detaljnije
74
020297 /
Baštenski alati - sajle
SAJLA KAISNIKA P
Detaljnije
75
019869 /
Delovi električnih uređaja - ubodne testere
GRAFITNA CETKICA 2/1
Detaljnije
76
052912 /
Delovi električnih uređaja - ručne kružne testere
RUKOHVAT DESNI
Detaljnije
77
052913 /
Delovi električnih uređaja - ručne kružne testere
KABAL SA UTIKACEM
Detaljnije
78
052915 /
Delovi električnih uređaja - ručne kružne testere
RUKOHVAT LEVI
Detaljnije
79
052918 /
Delovi električnih uređaja - ručne kružne testere
POLUGA BLOKADE
Detaljnije
80
024895 /
Delovi kultivatora
KLIN 8X32 MM
Detaljnije
81
052921 /
Delovi električnih uređaja - ručne kružne testere
USMERIVAC VAZDUHA
Detaljnije
82
033595 /
Delovi pumpi
RAVNA PODLOSKA
Detaljnije
83
052924 /
Delovi električnih uređaja - ručne kružne testere
KUCISTE STATORA
Detaljnije
84
052698 /
Delovi električnih uređaja - agregati
BLOK MOTORA
Detaljnije
85
052699 /
Delovi električnih uređaja - agregati
SENZOR ZA ULJE
Detaljnije
86
052700 /
Delovi električnih uređaja - agregati
SEMERING RADILICE
Detaljnije
87
052701 /
Delovi električnih uređaja - agregati
LEZAJ RADILICE
Detaljnije
88
052702 /
Delovi električnih uređaja - agregati
RADILICA
Detaljnije
89
052703 /
Delovi električnih uređaja - agregati
KLIP
Detaljnije
90
052704 /
Delovi električnih uređaja - agregati
KARIKE, SET 3/1
Detaljnije
91
052705 /
Delovi električnih uređaja - agregati
BOLCNI KLIPA
Detaljnije
92
052706 /
Delovi električnih uređaja - agregati
OSIGURAC BOLCNIJA KLIPA
Detaljnije
93
052707 /
Delovi električnih uređaja - agregati
KLIPNJACA KPT.
Detaljnije
94
052708 /
Delovi električnih uređaja - agregati
SEDISTE VENTILA
Detaljnije
95
052709 /
Delovi električnih uređaja - agregati
BREGASTA OSOVINA
Detaljnije
96
052710 /
Delovi električnih uređaja - agregati
DIHTUNG KUCISTA
Detaljnije
97
052711 /
Delovi električnih uređaja - agregati
POKLOPAC KUCISTA RADILICE
Detaljnije
98
052712 /
Delovi električnih uređaja - agregati
MERAC ZA ULJE
Detaljnije
99
052713 /
Delovi električnih uređaja - agregati
DIHTUNG GLAVE MOTORA
Detaljnije
100
052714 /
Delovi električnih uređaja - agregati
GLAVA MOTORA
Detaljnije
Rb
Šifra
Kategorija
Naziv
1
066963 /
Delovi 4T motora - dihtunzi
DIHTUNG KARBURATORA
Detaljnije
2
066969 /
Delovi 4T motora - dihtunzi
DIHTUNG FILTERA VAZDUHA
Detaljnije
Rb
Šifra
Kategorija
Naziv
1
066904 /
Filteri - za gorivo
FILTER GORIVA
Detaljnije
Rb
Šifra
Kategorija
Naziv
1
066904 /
Filteri - za gorivo
FILTER GORIVA
Detaljnije
Rb
Šifra
Kategorija
Naziv
1
044433 /
Delovi 4T motora - ostalo
OPRUGA VENTILA
Detaljnije
Rb
Šifra
Kategorija
Naziv
1
044433 /
Delovi 4T motora - ostalo
OPRUGA VENTILA
Detaljnije
Rb
Šifra
Kategorija
Naziv
1
044433 /
Delovi 4T motora - ostalo
OPRUGA VENTILA
Detaljnije
Rb
Šifra
Kategorija
Naziv
1
044433 /
Delovi 4T motora - ostalo
OPRUGA VENTILA
Detaljnije
Rb
Šifra
Kategorija
Naziv
1
066907 /
Delovi 4T motora - ostalo
SEMERING RADILICE DONJI 23.4 x 36.4 x 6
Detaljnije
Rb
Šifra
Kategorija
Naziv
1
066907 /
Delovi 4T motora - ostalo
SEMERING RADILICE DONJI 23.4 x 36.4 x 6
Detaljnije
| Karakteristika | Vrednost |
|---|---|
| Kategorija | Delovi čistača snega |
| Tezina | 1000 |
| Brend | Villager |
117,00 RSD
Ušteda:
0,00
RSD
Dodajte u korpu Obrada
| Karakteristika | Vrednost |
|---|---|
| Kategorija | Delovi električnih uređaja - brusilice |
| Tezina | 1000 |
| Brend | Villager |
62,00 RSD
Ušteda:
0,00
RSD
Dodajte u korpu Obrada
| Karakteristika | Vrednost |
|---|---|
| Kategorija | Delovi električnih uređaja - brusilice |
| Tezina | 52 |
| Brend | Villager |
218,00 RSD
Ušteda:
0,00
RSD
Dodajte u korpu Obrada
| Karakteristika | Vrednost |
|---|---|
| Kategorija | Delovi električnih uređaja - brusilice |
| Tezina | 11 |
| Brend | Villager |
117,00 RSD
Ušteda:
0,00
RSD
Dodajte u korpu Obrada
| Karakteristika | Vrednost |
|---|---|
| Kategorija | Delovi električnih uređaja - brusilice |
| Tezina | 1000 |
| Brend | Villager |
70,00 RSD
Ušteda:
0,00
RSD
Dodajte u korpu Obrada
| Karakteristika | Vrednost |
|---|---|
| Kategorija | Delovi električnih uređaja - brusilice |
| Tezina | 203 |
| Brend | Villager |
778,00 RSD
Ušteda:
0,00
RSD
Dodajte u korpu Obrada
| Karakteristika | Vrednost |
|---|---|
| Kategorija | Delovi električnih uređaja - brusilice |
| Tezina | 50 |
| Brend | Villager |
359,00 RSD
Ušteda:
0,00
RSD
Dodajte u korpu Obrada
| Karakteristika | Vrednost |
|---|---|
| Kategorija | Delovi električnih uređaja - brusilice |
| Tezina | 1000 |
| Brend | Villager |
562,00 RSD
Ušteda:
0,00
RSD
Dodajte u korpu Obrada
| Karakteristika | Vrednost |
|---|---|
| Kategorija | Delovi perača |
| Tezina | 8 |
| Brend | Villager |
234,00 RSD
Ušteda:
0,00
RSD
Dodajte u korpu Obrada
| Karakteristika | Vrednost |
|---|---|
| Kategorija | Delovi kosačice |
| Tezina | 1000 |
| Brend | Villager |
1.030,00 RSD
Ušteda:
0,00
RSD
Dodajte u korpu Obrada
| Karakteristika | Vrednost |
|---|---|
| Kategorija | Baštenski alati - sajle |
| Tezina | 193 |
| Brend | Villager |
1.373,00 RSD
Ušteda:
0,00
RSD
Dodajte u korpu Obrada
| Karakteristika | Vrednost |
|---|---|
| Kategorija | Baterijski delovi uređaja - bušilice |
| Tezina | 1000 |
| Brend | Villager |
343,00 RSD
Ušteda:
0,00
RSD
Dodajte u korpu Obrada
| Karakteristika | Vrednost |
|---|---|
| Kategorija | Baterijski delovi uređaja - bušilice |
| Tezina | 1000 |
| Brend | Villager |
359,00 RSD
Ušteda:
0,00
RSD
Dodajte u korpu Obrada
| Karakteristika | Vrednost |
|---|---|
| Kategorija | Delovi 2T motora - ostalo |
| Tezina | 1000 |
| Brend | Villager |
296,00 RSD
Ušteda:
0,00
RSD
Dodajte u korpu Obrada
| Karakteristika | Vrednost |
|---|---|
| Kategorija | Delovi električnih uređaja - renda |
| Tezina | 100 |
| Brend | Villager |
499,00 RSD
Ušteda:
0,00
RSD
Dodajte u korpu Obrada
| Karakteristika | Vrednost |
|---|---|
| Kategorija | Delovi električnih uređaja - renda |
| Tezina | 1000 |
| Brend | Villager |
125,00 RSD
Ušteda:
0,00
RSD
Dodajte u korpu Obrada
| Karakteristika | Vrednost |
|---|---|
| Kategorija | Delovi električnih uređaja - kompresori |
| Tezina | 62 |
| Brend | Villager |
1.014,00 RSD
Ušteda:
0,00
RSD
Dodajte u korpu Obrada
| Karakteristika | Vrednost |
|---|---|
| Kategorija | Delovi električnih uređaja - renda |
| Tezina | 22 |
| Brend | Villager |
117,00 RSD
Ušteda:
0,00
RSD
Dodajte u korpu Obrada
| Karakteristika | Vrednost |
|---|---|
| Kategorija | Delovi električnih uređaja - renda |
| Tezina | 1000 |
| Brend | Villager |
62,00 RSD
Ušteda:
0,00
RSD
Dodajte u korpu Obrada
| Karakteristika | Vrednost |
|---|---|
| Kategorija | Delovi električnih uređaja - renda |
| Tezina | 1000 |
| Brend | Villager |
310,00 RSD
Ušteda:
0,00
RSD
Dodajte u korpu Obrada
| Karakteristika | Vrednost |
|---|---|
| Kategorija | Delovi električnih uređaja - renda |
| Tezina | 1000 |
| Brend | Villager |
546,00 RSD
Ušteda:
0,00
RSD
Dodajte u korpu Obrada
| Karakteristika | Vrednost |
|---|---|
| Kategorija | Delovi trimera |
| Tezina | 1000 |
| Brend | Villager |
390,00 RSD
Ušteda:
0,00
RSD
Dodajte u korpu Obrada
| Karakteristika | Vrednost |
|---|---|
| Kategorija | Delovi trimera |
| Tezina | 31 |
| Brend | Villager |
452,00 RSD
Ušteda:
0,00
RSD
Dodajte u korpu Obrada
| Karakteristika | Vrednost |
|---|---|
| Kategorija | Delovi električnih uređaja - renda |
| Tezina | 40 |
| Brend | Villager |
310,00 RSD
Ušteda:
0,00
RSD
Dodajte u korpu Obrada
| Karakteristika | Vrednost |
|---|---|
| Kategorija | Delovi perača |
| Tezina | 726 |
| Brend | Villager |
3.042,00 RSD
Ušteda:
0,00
RSD
Dodajte u korpu Obrada
| Karakteristika | Vrednost |
|---|---|
| Kategorija | Delovi električnih uređaja - renda |
| Tezina | 6 |
| Brend | Villager |
310,00 RSD
Ušteda:
0,00
RSD
Dodajte u korpu Obrada
| Karakteristika | Vrednost |
|---|---|
| Kategorija | Delovi električnih uređaja - renda |
| Tezina | 1000 |
| Brend | Villager |
608,00 RSD
Ušteda:
0,00
RSD
Dodajte u korpu Obrada
| Karakteristika | Vrednost |
|---|---|
| Kategorija | Delovi električnih uređaja - renda |
| Tezina | 1000 |
| Brend | Villager |
749,00 RSD
Ušteda:
0,00
RSD
Dodajte u korpu Obrada
| Karakteristika | Vrednost |
|---|---|
| Kategorija | Delovi električnih uređaja - renda |
| Tezina | 1000 |
| Brend | Villager |
62,00 RSD
Ušteda:
0,00
RSD
Dodajte u korpu Obrada
| Karakteristika | Vrednost |
|---|---|
| Kategorija | Delovi električnih uređaja - renda |
| Tezina | 1000 |
| Brend | Villager |
70,00 RSD
Ušteda:
0,00
RSD
Dodajte u korpu Obrada
| Karakteristika | Vrednost |
|---|---|
| Kategorija | Delovi električnih uređaja - renda |
| Tezina | 1000 |
| Brend | Villager |
1.872,00 RSD
Ušteda:
0,00
RSD
Dodajte u korpu Obrada
| Karakteristika | Vrednost |
|---|---|
| Kategorija | Delovi električnih uređaja - renda |
| Tezina | 20 |
| Brend | Villager |
343,00 RSD
Ušteda:
0,00
RSD
Dodajte u korpu Obrada
| Karakteristika | Vrednost |
|---|---|
| Kategorija | Delovi 2T motora - ostalo |
| Tezina | 2 |
| Brend | Villager |
218,00 RSD
Ušteda:
0,00
RSD
Dodajte u korpu Obrada
| Karakteristika | Vrednost |
|---|---|
| Kategorija | Delovi perača |
| Tezina | 1000 |
| Brend | Villager |
1.716,00 RSD
Ušteda:
0,00
RSD
Dodajte u korpu Obrada
| Karakteristika | Vrednost |
|---|---|
| Kategorija | Delovi električnih uređaja - renda |
| Tezina | 7 |
| Brend | Villager |
608,00 RSD
Ušteda:
0,00
RSD
Dodajte u korpu Obrada
| Karakteristika | Vrednost |
|---|---|
| Kategorija | Baštenski alati - pribor za orezivanje |
| Tezina | 525 |
| Brend | Falket |
4.368,00 RSD
Ušteda:
0,00
RSD
Dodajte u korpu Obrada
| Karakteristika | Vrednost |
|---|---|
| Kategorija | Delovi 4T motora - karburatori |
| Tezina | 223 |
| Brend | Villager |
2.964,00 RSD
Ušteda:
0,00
RSD
Dodajte u korpu Obrada
| Karakteristika | Vrednost |
|---|---|
| Kategorija | Baštenski alati - gume |
| Tezina | 188 |
| Brend | Villager |
1.544,00 RSD
Ušteda:
0,00
RSD
Dodajte u korpu Obrada
| Karakteristika | Vrednost |
|---|---|
| Kategorija | Baštenski alati - sajle |
| Tezina | 140 |
| Brend | Villager |
2.964,00 RSD
Ušteda:
0,00
RSD
Dodajte u korpu Obrada
| Karakteristika | Vrednost |
|---|---|
| Kategorija | Delovi traktor kosačica |
| Tezina | 41 |
| Brend | Villager |
515,00 RSD
Ušteda:
0,00
RSD
Dodajte u korpu Obrada
| Karakteristika | Vrednost |
|---|---|
| Kategorija | Radionički alati - prekidači |
| Tezina | 5 |
| Brend | Villager |
1.076,00 RSD
Ušteda:
0,00
RSD
Dodajte u korpu Obrada
| Karakteristika | Vrednost |
|---|---|
| Kategorija | Delovi cepača |
| Tezina | 39 |
| Brend | Villager |
1.326,00 RSD
Ušteda:
0,00
RSD
Dodajte u korpu Obrada
| Karakteristika | Vrednost |
|---|---|
| Kategorija | Delovi 2T motora - paljenje |
| Tezina | 4 |
| Brend | Villager |
250,00 RSD
Ušteda:
0,00
RSD
Dodajte u korpu Obrada
| Karakteristika | Vrednost |
|---|---|
| Kategorija | Delovi lančanih testera |
| Tezina | 280 |
| Brend | Villager |
1.544,00 RSD
Ušteda:
0,00
RSD
Dodajte u korpu Obrada
| Karakteristika | Vrednost |
|---|---|
| Kategorija | Delovi prskalica |
| Tezina | 50 |
| Brend | Villager |
1.872,00 RSD
Ušteda:
0,00
RSD
Dodajte u korpu Obrada
| Karakteristika | Vrednost |
|---|---|
| Kategorija | Delovi 2T motora - ostalo |
| Tezina | 20 |
| Brend | Villager |
421,00 RSD
Ušteda:
0,00
RSD
Dodajte u korpu Obrada
| Karakteristika | Vrednost |
|---|---|
| Kategorija | Ležajevi - igličasti |
| Tezina | 1000 |
| Brend | Villager |
296,00 RSD
Ušteda:
0,00
RSD
Dodajte u korpu Obrada
| Karakteristika | Vrednost |
|---|---|
| Kategorija | Delovi lančanih testera |
| Tezina | 1 |
| Brend | Villager |
195,00 RSD
Ušteda:
0,00
RSD
Dodajte u korpu Obrada
| Karakteristika | Vrednost |
|---|---|
| Kategorija | Delovi električnih uređaja - električni čekići |
| Tezina | 2 |
| Brend | Villager |
250,00 RSD
Ušteda:
0,00
RSD
Dodajte u korpu Obrada
| Karakteristika | Vrednost |
|---|---|
| Kategorija | Delovi električnih uređaja - usisivači |
| Tezina | 1000 |
| Brend | Villager |
1.872,00 RSD
Ušteda:
0,00
RSD
Dodajte u korpu Obrada
| Karakteristika | Vrednost |
|---|---|
| Kategorija | Noževi za električne kosačice |
| Tezina | 12 |
| Brend | Villager |
195,00 RSD
Ušteda:
0,00
RSD
Dodajte u korpu Obrada
| Karakteristika | Vrednost |
|---|---|
| Kategorija | Delovi 2T motora - karburatori |
| Tezina | 1000 |
| Brend | Villager |
2.808,00 RSD
Ušteda:
0,00
RSD
Dodajte u korpu Obrada
| Karakteristika | Vrednost |
|---|---|
| Kategorija | Radionički alati - prekidači |
| Tezina | 1000 |
| Brend | Villager |
390,00 RSD
Ušteda:
0,00
RSD
Dodajte u korpu Obrada
| Karakteristika | Vrednost |
|---|---|
| Kategorija | Delovi 4T motora - dihtunzi |
| Tezina | 6 |
| Brend | Villager |
577,00 RSD
Ušteda:
0,00
RSD
Dodajte u korpu Obrada
| Karakteristika | Vrednost |
|---|---|
| Kategorija | Delovi električnih uređaja - bušilice |
| Tezina | 1000 |
| Brend | Villager |
499,00 RSD
Ušteda:
0,00
RSD
Dodajte u korpu Obrada
| Karakteristika | Vrednost |
|---|---|
| Kategorija | Delovi prskalica |
| Tezina | 43 |
| Brend | Villager |
296,00 RSD
Ušteda:
0,00
RSD
Dodajte u korpu Obrada
| Karakteristika | Vrednost |
|---|---|
| Kategorija | Delovi 2T motora - cilindri i klipovi |
| Tezina | 179 |
| Brend | Villager |
2.808,00 RSD
Ušteda:
0,00
RSD
Dodajte u korpu Obrada
| Karakteristika | Vrednost |
|---|---|
| Kategorija | Delovi kosačice |
| Tezina | 103 |
| Brend | Villager |
1.014,00 RSD
Ušteda:
0,00
RSD
Dodajte u korpu Obrada
| Karakteristika | Vrednost |
|---|---|
| Kategorija | Delovi prskalica |
| Tezina | 475 |
| Brend | Villager |
2.340,00 RSD
Ušteda:
0,00
RSD
Dodajte u korpu Obrada
| Karakteristika | Vrednost |
|---|---|
| Kategorija | Delovi pumpi |
| Tezina | 15 |
| Brend | Villager |
218,00 RSD
Ušteda:
0,00
RSD
Dodajte u korpu Obrada
| Karakteristika | Vrednost |
|---|---|
| Kategorija | Delovi traktor kosačica |
| Tezina | 675 |
| Brend | Villager |
4.992,00 RSD
Ušteda:
0,00
RSD
Dodajte u korpu Obrada
| Karakteristika | Vrednost |
|---|---|
| Kategorija | Lančanici |
| Tezina | 27 |
| Brend | Villager |
671,00 RSD
Ušteda:
0,00
RSD
Dodajte u korpu Obrada
Rezervoar goriva komplet za motorni trimer BC1250S do 2016 god. - BC1900S do 2016 god. - AGM520
Šifra: 013486
| Karakteristika | Vrednost |
|---|---|
| Kategorija | Delovi 2T motora - ostalo |
| Tezina | 268 |
| Brend | Villager |
1.482,00 RSD
Ušteda:
0,00
RSD
Dodajte u korpu Obrada
| Karakteristika | Vrednost |
|---|---|
| Kategorija | Delovi električnih uređaja - električni čekići |
| Tezina | 196 |
| Brend | Villager |
1.232,00 RSD
Ušteda:
0,00
RSD
Dodajte u korpu Obrada
| Karakteristika | Vrednost |
|---|---|
| Kategorija | Delovi 2T motora - karburatori |
| Tezina | 120 |
| Brend | Villager |
5.460,00 RSD
Ušteda:
0,00
RSD
Dodajte u korpu Obrada
| Karakteristika | Vrednost |
|---|---|
| Kategorija | Delovi lančanih testera |
| Tezina | 23 |
| Brend | Villager |
250,00 RSD
Ušteda:
0,00
RSD
Dodajte u korpu Obrada
| Karakteristika | Vrednost |
|---|---|
| Kategorija | Delovi lančanih testera |
| Tezina | 4 |
| Brend | Villager |
172,00 RSD
Ušteda:
0,00
RSD
Dodajte u korpu Obrada
| Karakteristika | Vrednost |
|---|---|
| Kategorija | Baštenski alati - baterijski alati |
| Tezina | 1000 |
| Brend | Villager |
2.262,00 RSD
Ušteda:
0,00
RSD
Dodajte u korpu Obrada
| Karakteristika | Vrednost |
|---|---|
| Kategorija | Delovi pumpi |
| Tezina | 1000 |
| Brend | Villager |
1.126,00 RSD
Ušteda:
0,00
RSD
Dodajte u korpu Obrada
| Karakteristika | Vrednost |
|---|---|
| Kategorija | Delovi električnih uređaja - električni čekići |
| Tezina | 2 |
| Brend | Villager |
94,00 RSD
Ušteda:
0,00
RSD
Dodajte u korpu Obrada
| Karakteristika | Vrednost |
|---|---|
| Kategorija | Delovi 4T motora - ostalo |
| Tezina | 1000 |
| Brend | Villager |
3.900,00 RSD
Ušteda:
0,00
RSD
Dodajte u korpu Obrada
| Karakteristika | Vrednost |
|---|---|
| Kategorija | Delovi električnih uređaja - usisivači |
| Tezina | 583 |
| Brend | Villager |
1.872,00 RSD
Ušteda:
0,00
RSD
Dodajte u korpu Obrada
| Karakteristika | Vrednost |
|---|---|
| Kategorija | Delovi trimera |
| Tezina | 1000 |
| Brend | Villager |
195,00 RSD
Ušteda:
0,00
RSD
Dodajte u korpu Obrada
| Karakteristika | Vrednost |
|---|---|
| Kategorija | Baštenski alati - sajle |
| Tezina | 154 |
| Brend | Villager |
2.106,00 RSD
Ušteda:
0,00
RSD
Dodajte u korpu Obrada
| Karakteristika | Vrednost |
|---|---|
| Kategorija | Delovi električnih uređaja - ubodne testere |
| Tezina | 3 |
| Brend | Villager |
265,00 RSD
Ušteda:
0,00
RSD
Dodajte u korpu Obrada
| Karakteristika | Vrednost |
|---|---|
| Kategorija | Delovi električnih uređaja - ručne kružne testere |
| Tezina | 110 |
| Brend | Villager |
437,00 RSD
Ušteda:
0,00
RSD
Dodajte u korpu Obrada
| Karakteristika | Vrednost |
|---|---|
| Kategorija | Delovi električnih uređaja - ručne kružne testere |
| Tezina | 160 |
| Brend | Villager |
608,00 RSD
Ušteda:
0,00
RSD
Dodajte u korpu Obrada
| Karakteristika | Vrednost |
|---|---|
| Kategorija | Delovi električnih uređaja - ručne kružne testere |
| Tezina | 110 |
| Brend | Villager |
281,00 RSD
Ušteda:
0,00
RSD
Dodajte u korpu Obrada
| Karakteristika | Vrednost |
|---|---|
| Kategorija | Delovi električnih uređaja - ručne kružne testere |
| Tezina | 34 |
| Brend | Villager |
133,00 RSD
Ušteda:
0,00
RSD
Dodajte u korpu Obrada
| Karakteristika | Vrednost |
|---|---|
| Kategorija | Delovi kultivatora |
| Tezina | 1000 |
| Brend | Villager |
466,00 RSD
Ušteda:
0,00
RSD
Dodajte u korpu Obrada
| Karakteristika | Vrednost |
|---|---|
| Kategorija | Delovi električnih uređaja - ručne kružne testere |
| Tezina | 1000 |
| Brend | Villager |
62,00 RSD
Ušteda:
0,00
RSD
Dodajte u korpu Obrada
| Karakteristika | Vrednost |
|---|---|
| Kategorija | Delovi pumpi |
| Tezina | 22 |
| Brend | Villager |
47,00 RSD
Ušteda:
0,00
RSD
Dodajte u korpu Obrada
| Karakteristika | Vrednost |
|---|---|
| Kategorija | Delovi električnih uređaja - ručne kružne testere |
| Tezina | 230 |
| Brend | Villager |
702,00 RSD
Ušteda:
0,00
RSD
Dodajte u korpu Obrada
| Karakteristika | Vrednost |
|---|---|
| Kategorija | Delovi električnih uređaja - agregati |
| Tezina | 1690 |
| Brend | Villager |
4.524,00 RSD
Ušteda:
0,00
RSD
Dodajte u korpu Obrada
| Karakteristika | Vrednost |
|---|---|
| Kategorija | Delovi električnih uređaja - agregati |
| Tezina | 46 |
| Brend | Villager |
858,00 RSD
Ušteda:
0,00
RSD
Dodajte u korpu Obrada
| Karakteristika | Vrednost |
|---|---|
| Kategorija | Delovi električnih uređaja - agregati |
| Tezina | 7 |
| Brend | Villager |
234,00 RSD
Ušteda:
0,00
RSD
Dodajte u korpu Obrada
| Karakteristika | Vrednost |
|---|---|
| Kategorija | Delovi električnih uređaja - agregati |
| Tezina | 1000 |
| Brend | Villager |
312,00 RSD
Ušteda:
0,00
RSD
Dodajte u korpu Obrada
| Karakteristika | Vrednost |
|---|---|
| Kategorija | Delovi električnih uređaja - agregati |
| Tezina | 1024 |
| Brend | Villager |
2.736,00 RSD
Ušteda:
0,00
RSD
Dodajte u korpu Obrada
| Karakteristika | Vrednost |
|---|---|
| Kategorija | Delovi električnih uređaja - agregati |
| Tezina | 1000 |
| Brend | Villager |
702,00 RSD
Ušteda:
0,00
RSD
Dodajte u korpu Obrada
| Karakteristika | Vrednost |
|---|---|
| Kategorija | Delovi električnih uređaja - agregati |
| Tezina | 8 |
| Brend | Villager |
920,00 RSD
Ušteda:
0,00
RSD
Dodajte u korpu Obrada
| Karakteristika | Vrednost |
|---|---|
| Kategorija | Delovi električnih uređaja - agregati |
| Tezina | 13 |
| Brend | Villager |
117,00 RSD
Ušteda:
0,00
RSD
Dodajte u korpu Obrada
| Karakteristika | Vrednost |
|---|---|
| Kategorija | Delovi električnih uređaja - agregati |
| Tezina | 1 |
| Brend | Villager |
39,00 RSD
Ušteda:
0,00
RSD
Dodajte u korpu Obrada
| Karakteristika | Vrednost |
|---|---|
| Kategorija | Delovi električnih uređaja - agregati |
| Tezina | 84 |
| Brend | Villager |
936,00 RSD
Ušteda:
0,00
RSD
Dodajte u korpu Obrada
| Karakteristika | Vrednost |
|---|---|
| Kategorija | Delovi električnih uređaja - agregati |
| Tezina | 12 |
| Brend | Villager |
117,00 RSD
Ušteda:
0,00
RSD
Dodajte u korpu Obrada
| Karakteristika | Vrednost |
|---|---|
| Kategorija | Delovi električnih uređaja - agregati |
| Tezina | 298 |
| Brend | Villager |
1.402,00 RSD
Ušteda:
0,00
RSD
Dodajte u korpu Obrada
| Karakteristika | Vrednost |
|---|---|
| Kategorija | Delovi električnih uređaja - agregati |
| Tezina | 3 |
| Brend | Villager |
203,00 RSD
Ušteda:
0,00
RSD
Dodajte u korpu Obrada
| Karakteristika | Vrednost |
|---|---|
| Kategorija | Delovi električnih uređaja - agregati |
| Tezina | 1000 |
| Brend | Villager |
2.340,00 RSD
Ušteda:
0,00
RSD
Dodajte u korpu Obrada
| Karakteristika | Vrednost |
|---|---|
| Kategorija | Delovi električnih uređaja - agregati |
| Tezina | 8 |
| Brend | Villager |
125,00 RSD
Ušteda:
0,00
RSD
Dodajte u korpu Obrada
| Karakteristika | Vrednost |
|---|---|
| Kategorija | Delovi električnih uređaja - agregati |
| Tezina | 5 |
| Brend | Villager |
234,00 RSD
Ušteda:
0,00
RSD
Dodajte u korpu Obrada
| Karakteristika | Vrednost |
|---|---|
| Kategorija | Delovi električnih uređaja - agregati |
| Tezina | 544 |
| Brend | Villager |
2.340,00 RSD
Ušteda:
0,00
RSD
Dodajte u korpu Obrada
| Karakteristika | Vrednost |
|---|---|
| Kategorija | Delovi čistača snega |
| Tezina | 1000 |
| Brend | Villager |
117,00 RSD
Ušteda:
0,00
RSD
Dodajte u korpu Obrada
| Karakteristika | Vrednost |
|---|---|
| Kategorija | Delovi električnih uređaja - brusilice |
| Tezina | 1000 |
| Brend | Villager |
62,00 RSD
Ušteda:
0,00
RSD
Dodajte u korpu Obrada
| Karakteristika | Vrednost |
|---|---|
| Kategorija | Delovi električnih uređaja - brusilice |
| Tezina | 52 |
| Brend | Villager |
218,00 RSD
Ušteda:
0,00
RSD
Dodajte u korpu Obrada
| Karakteristika | Vrednost |
|---|---|
| Kategorija | Delovi električnih uređaja - brusilice |
| Tezina | 11 |
| Brend | Villager |
117,00 RSD
Ušteda:
0,00
RSD
Dodajte u korpu Obrada
| Karakteristika | Vrednost |
|---|---|
| Kategorija | Delovi električnih uređaja - brusilice |
| Tezina | 1000 |
| Brend | Villager |
70,00 RSD
Ušteda:
0,00
RSD
Dodajte u korpu Obrada
| Karakteristika | Vrednost |
|---|---|
| Kategorija | Delovi električnih uređaja - brusilice |
| Tezina | 203 |
| Brend | Villager |
778,00 RSD
Ušteda:
0,00
RSD
Dodajte u korpu Obrada
| Karakteristika | Vrednost |
|---|---|
| Kategorija | Delovi električnih uređaja - brusilice |
| Tezina | 50 |
| Brend | Villager |
359,00 RSD
Ušteda:
0,00
RSD
Dodajte u korpu Obrada
| Karakteristika | Vrednost |
|---|---|
| Kategorija | Delovi električnih uređaja - brusilice |
| Tezina | 1000 |
| Brend | Villager |
562,00 RSD
Ušteda:
0,00
RSD
Dodajte u korpu Obrada
| Karakteristika | Vrednost |
|---|---|
| Kategorija | Delovi perača |
| Tezina | 8 |
| Brend | Villager |
234,00 RSD
Ušteda:
0,00
RSD
Dodajte u korpu Obrada
| Karakteristika | Vrednost |
|---|---|
| Kategorija | Delovi kosačice |
| Tezina | 1000 |
| Brend | Villager |
1.030,00 RSD
Ušteda:
0,00
RSD
Dodajte u korpu Obrada
| Karakteristika | Vrednost |
|---|---|
| Kategorija | Baštenski alati - sajle |
| Tezina | 193 |
| Brend | Villager |
1.373,00 RSD
Ušteda:
0,00
RSD
Dodajte u korpu Obrada
| Karakteristika | Vrednost |
|---|---|
| Kategorija | Baterijski delovi uređaja - bušilice |
| Tezina | 1000 |
| Brend | Villager |
343,00 RSD
Ušteda:
0,00
RSD
Dodajte u korpu Obrada
| Karakteristika | Vrednost |
|---|---|
| Kategorija | Baterijski delovi uređaja - bušilice |
| Tezina | 1000 |
| Brend | Villager |
359,00 RSD
Ušteda:
0,00
RSD
Dodajte u korpu Obrada
| Karakteristika | Vrednost |
|---|---|
| Kategorija | Delovi 2T motora - ostalo |
| Tezina | 1000 |
| Brend | Villager |
296,00 RSD
Ušteda:
0,00
RSD
Dodajte u korpu Obrada
| Karakteristika | Vrednost |
|---|---|
| Kategorija | Delovi električnih uređaja - renda |
| Tezina | 100 |
| Brend | Villager |
499,00 RSD
Ušteda:
0,00
RSD
Dodajte u korpu Obrada
| Karakteristika | Vrednost |
|---|---|
| Kategorija | Delovi električnih uređaja - renda |
| Tezina | 1000 |
| Brend | Villager |
125,00 RSD
Ušteda:
0,00
RSD
Dodajte u korpu Obrada
| Karakteristika | Vrednost |
|---|---|
| Kategorija | Delovi električnih uređaja - kompresori |
| Tezina | 62 |
| Brend | Villager |
1.014,00 RSD
Ušteda:
0,00
RSD
Dodajte u korpu Obrada
| Karakteristika | Vrednost |
|---|---|
| Kategorija | Delovi električnih uređaja - renda |
| Tezina | 22 |
| Brend | Villager |
117,00 RSD
Ušteda:
0,00
RSD
Dodajte u korpu Obrada
| Karakteristika | Vrednost |
|---|---|
| Kategorija | Delovi električnih uređaja - renda |
| Tezina | 1000 |
| Brend | Villager |
62,00 RSD
Ušteda:
0,00
RSD
Dodajte u korpu Obrada
| Karakteristika | Vrednost |
|---|---|
| Kategorija | Delovi električnih uređaja - renda |
| Tezina | 1000 |
| Brend | Villager |
310,00 RSD
Ušteda:
0,00
RSD
Dodajte u korpu Obrada
| Karakteristika | Vrednost |
|---|---|
| Kategorija | Delovi električnih uređaja - renda |
| Tezina | 1000 |
| Brend | Villager |
546,00 RSD
Ušteda:
0,00
RSD
Dodajte u korpu Obrada
| Karakteristika | Vrednost |
|---|---|
| Kategorija | Delovi trimera |
| Tezina | 1000 |
| Brend | Villager |
390,00 RSD
Ušteda:
0,00
RSD
Dodajte u korpu Obrada
| Karakteristika | Vrednost |
|---|---|
| Kategorija | Delovi trimera |
| Tezina | 31 |
| Brend | Villager |
452,00 RSD
Ušteda:
0,00
RSD
Dodajte u korpu Obrada
| Karakteristika | Vrednost |
|---|---|
| Kategorija | Delovi električnih uređaja - renda |
| Tezina | 40 |
| Brend | Villager |
310,00 RSD
Ušteda:
0,00
RSD
Dodajte u korpu Obrada
| Karakteristika | Vrednost |
|---|---|
| Kategorija | Delovi perača |
| Tezina | 726 |
| Brend | Villager |
3.042,00 RSD
Ušteda:
0,00
RSD
Dodajte u korpu Obrada
| Karakteristika | Vrednost |
|---|---|
| Kategorija | Delovi električnih uređaja - renda |
| Tezina | 6 |
| Brend | Villager |
310,00 RSD
Ušteda:
0,00
RSD
Dodajte u korpu Obrada
| Karakteristika | Vrednost |
|---|---|
| Kategorija | Delovi električnih uređaja - renda |
| Tezina | 1000 |
| Brend | Villager |
608,00 RSD
Ušteda:
0,00
RSD
Dodajte u korpu Obrada
| Karakteristika | Vrednost |
|---|---|
| Kategorija | Delovi električnih uređaja - renda |
| Tezina | 1000 |
| Brend | Villager |
749,00 RSD
Ušteda:
0,00
RSD
Dodajte u korpu Obrada
| Karakteristika | Vrednost |
|---|---|
| Kategorija | Delovi električnih uređaja - renda |
| Tezina | 1000 |
| Brend | Villager |
62,00 RSD
Ušteda:
0,00
RSD
Dodajte u korpu Obrada
| Karakteristika | Vrednost |
|---|---|
| Kategorija | Delovi električnih uređaja - renda |
| Tezina | 1000 |
| Brend | Villager |
70,00 RSD
Ušteda:
0,00
RSD
Dodajte u korpu Obrada
| Karakteristika | Vrednost |
|---|---|
| Kategorija | Delovi električnih uređaja - renda |
| Tezina | 1000 |
| Brend | Villager |
1.872,00 RSD
Ušteda:
0,00
RSD
Dodajte u korpu Obrada
| Karakteristika | Vrednost |
|---|---|
| Kategorija | Delovi električnih uređaja - renda |
| Tezina | 20 |
| Brend | Villager |
343,00 RSD
Ušteda:
0,00
RSD
Dodajte u korpu Obrada
| Karakteristika | Vrednost |
|---|---|
| Kategorija | Delovi 2T motora - ostalo |
| Tezina | 2 |
| Brend | Villager |
218,00 RSD
Ušteda:
0,00
RSD
Dodajte u korpu Obrada
| Karakteristika | Vrednost |
|---|---|
| Kategorija | Delovi perača |
| Tezina | 1000 |
| Brend | Villager |
1.716,00 RSD
Ušteda:
0,00
RSD
Dodajte u korpu Obrada
| Karakteristika | Vrednost |
|---|---|
| Kategorija | Delovi električnih uređaja - renda |
| Tezina | 7 |
| Brend | Villager |
608,00 RSD
Ušteda:
0,00
RSD
Dodajte u korpu Obrada
| Karakteristika | Vrednost |
|---|---|
| Kategorija | Baštenski alati - pribor za orezivanje |
| Tezina | 525 |
| Brend | Falket |
4.368,00 RSD
Ušteda:
0,00
RSD
Dodajte u korpu Obrada
| Karakteristika | Vrednost |
|---|---|
| Kategorija | Delovi 4T motora - karburatori |
| Tezina | 223 |
| Brend | Villager |
2.964,00 RSD
Ušteda:
0,00
RSD
Dodajte u korpu Obrada
| Karakteristika | Vrednost |
|---|---|
| Kategorija | Baštenski alati - gume |
| Tezina | 188 |
| Brend | Villager |
1.544,00 RSD
Ušteda:
0,00
RSD
Dodajte u korpu Obrada
| Karakteristika | Vrednost |
|---|---|
| Kategorija | Baštenski alati - sajle |
| Tezina | 140 |
| Brend | Villager |
2.964,00 RSD
Ušteda:
0,00
RSD
Dodajte u korpu Obrada
| Karakteristika | Vrednost |
|---|---|
| Kategorija | Delovi traktor kosačica |
| Tezina | 41 |
| Brend | Villager |
515,00 RSD
Ušteda:
0,00
RSD
Dodajte u korpu Obrada
| Karakteristika | Vrednost |
|---|---|
| Kategorija | Radionički alati - prekidači |
| Tezina | 5 |
| Brend | Villager |
1.076,00 RSD
Ušteda:
0,00
RSD
Dodajte u korpu Obrada
| Karakteristika | Vrednost |
|---|---|
| Kategorija | Delovi cepača |
| Tezina | 39 |
| Brend | Villager |
1.326,00 RSD
Ušteda:
0,00
RSD
Dodajte u korpu Obrada
| Karakteristika | Vrednost |
|---|---|
| Kategorija | Delovi 2T motora - paljenje |
| Tezina | 4 |
| Brend | Villager |
250,00 RSD
Ušteda:
0,00
RSD
Dodajte u korpu Obrada
| Karakteristika | Vrednost |
|---|---|
| Kategorija | Delovi lančanih testera |
| Tezina | 280 |
| Brend | Villager |
1.544,00 RSD
Ušteda:
0,00
RSD
Dodajte u korpu Obrada
| Karakteristika | Vrednost |
|---|---|
| Kategorija | Delovi prskalica |
| Tezina | 50 |
| Brend | Villager |
1.872,00 RSD
Ušteda:
0,00
RSD
Dodajte u korpu Obrada
| Karakteristika | Vrednost |
|---|---|
| Kategorija | Delovi 2T motora - ostalo |
| Tezina | 20 |
| Brend | Villager |
421,00 RSD
Ušteda:
0,00
RSD
Dodajte u korpu Obrada
| Karakteristika | Vrednost |
|---|---|
| Kategorija | Ležajevi - igličasti |
| Tezina | 1000 |
| Brend | Villager |
296,00 RSD
Ušteda:
0,00
RSD
Dodajte u korpu Obrada
| Karakteristika | Vrednost |
|---|---|
| Kategorija | Delovi lančanih testera |
| Tezina | 1 |
| Brend | Villager |
195,00 RSD
Ušteda:
0,00
RSD
Dodajte u korpu Obrada
| Karakteristika | Vrednost |
|---|---|
| Kategorija | Delovi električnih uređaja - električni čekići |
| Tezina | 2 |
| Brend | Villager |
250,00 RSD
Ušteda:
0,00
RSD
Dodajte u korpu Obrada
| Karakteristika | Vrednost |
|---|---|
| Kategorija | Delovi električnih uređaja - usisivači |
| Tezina | 1000 |
| Brend | Villager |
1.872,00 RSD
Ušteda:
0,00
RSD
Dodajte u korpu Obrada
| Karakteristika | Vrednost |
|---|---|
| Kategorija | Noževi za električne kosačice |
| Tezina | 12 |
| Brend | Villager |
195,00 RSD
Ušteda:
0,00
RSD
Dodajte u korpu Obrada
| Karakteristika | Vrednost |
|---|---|
| Kategorija | Delovi 2T motora - karburatori |
| Tezina | 1000 |
| Brend | Villager |
2.808,00 RSD
Ušteda:
0,00
RSD
Dodajte u korpu Obrada
| Karakteristika | Vrednost |
|---|---|
| Kategorija | Radionički alati - prekidači |
| Tezina | 1000 |
| Brend | Villager |
390,00 RSD
Ušteda:
0,00
RSD
Dodajte u korpu Obrada
| Karakteristika | Vrednost |
|---|---|
| Kategorija | Delovi 4T motora - dihtunzi |
| Tezina | 6 |
| Brend | Villager |
577,00 RSD
Ušteda:
0,00
RSD
Dodajte u korpu Obrada
| Karakteristika | Vrednost |
|---|---|
| Kategorija | Delovi električnih uređaja - bušilice |
| Tezina | 1000 |
| Brend | Villager |
499,00 RSD
Ušteda:
0,00
RSD
Dodajte u korpu Obrada
| Karakteristika | Vrednost |
|---|---|
| Kategorija | Delovi prskalica |
| Tezina | 43 |
| Brend | Villager |
296,00 RSD
Ušteda:
0,00
RSD
Dodajte u korpu Obrada
| Karakteristika | Vrednost |
|---|---|
| Kategorija | Delovi 2T motora - cilindri i klipovi |
| Tezina | 179 |
| Brend | Villager |
2.808,00 RSD
Ušteda:
0,00
RSD
Dodajte u korpu Obrada
| Karakteristika | Vrednost |
|---|---|
| Kategorija | Delovi kosačice |
| Tezina | 103 |
| Brend | Villager |
1.014,00 RSD
Ušteda:
0,00
RSD
Dodajte u korpu Obrada
| Karakteristika | Vrednost |
|---|---|
| Kategorija | Delovi prskalica |
| Tezina | 475 |
| Brend | Villager |
2.340,00 RSD
Ušteda:
0,00
RSD
Dodajte u korpu Obrada
| Karakteristika | Vrednost |
|---|---|
| Kategorija | Delovi pumpi |
| Tezina | 15 |
| Brend | Villager |
218,00 RSD
Ušteda:
0,00
RSD
Dodajte u korpu Obrada
| Karakteristika | Vrednost |
|---|---|
| Kategorija | Delovi traktor kosačica |
| Tezina | 675 |
| Brend | Villager |
4.992,00 RSD
Ušteda:
0,00
RSD
Dodajte u korpu Obrada
| Karakteristika | Vrednost |
|---|---|
| Kategorija | Lančanici |
| Tezina | 27 |
| Brend | Villager |
671,00 RSD
Ušteda:
0,00
RSD
Dodajte u korpu Obrada
Rezervoar goriva komplet za motorni trimer BC1250S do 2016 god. - BC1900S do 2016 god. - AGM520
Šifra: 013486
| Karakteristika | Vrednost |
|---|---|
| Kategorija | Delovi 2T motora - ostalo |
| Tezina | 268 |
| Brend | Villager |
1.482,00 RSD
Ušteda:
0,00
RSD
Dodajte u korpu Obrada
| Karakteristika | Vrednost |
|---|---|
| Kategorija | Delovi električnih uređaja - električni čekići |
| Tezina | 196 |
| Brend | Villager |
1.232,00 RSD
Ušteda:
0,00
RSD
Dodajte u korpu Obrada
| Karakteristika | Vrednost |
|---|---|
| Kategorija | Delovi 2T motora - karburatori |
| Tezina | 120 |
| Brend | Villager |
5.460,00 RSD
Ušteda:
0,00
RSD
Dodajte u korpu Obrada
| Karakteristika | Vrednost |
|---|---|
| Kategorija | Delovi lančanih testera |
| Tezina | 23 |
| Brend | Villager |
250,00 RSD
Ušteda:
0,00
RSD
Dodajte u korpu Obrada
| Karakteristika | Vrednost |
|---|---|
| Kategorija | Delovi lančanih testera |
| Tezina | 4 |
| Brend | Villager |
172,00 RSD
Ušteda:
0,00
RSD
Dodajte u korpu Obrada
| Karakteristika | Vrednost |
|---|---|
| Kategorija | Baštenski alati - baterijski alati |
| Tezina | 1000 |
| Brend | Villager |
2.262,00 RSD
Ušteda:
0,00
RSD
Dodajte u korpu Obrada
| Karakteristika | Vrednost |
|---|---|
| Kategorija | Delovi pumpi |
| Tezina | 1000 |
| Brend | Villager |
1.126,00 RSD
Ušteda:
0,00
RSD
Dodajte u korpu Obrada
| Karakteristika | Vrednost |
|---|---|
| Kategorija | Delovi električnih uređaja - električni čekići |
| Tezina | 2 |
| Brend | Villager |
94,00 RSD
Ušteda:
0,00
RSD
Dodajte u korpu Obrada
| Karakteristika | Vrednost |
|---|---|
| Kategorija | Delovi 4T motora - ostalo |
| Tezina | 1000 |
| Brend | Villager |
3.900,00 RSD
Ušteda:
0,00
RSD
Dodajte u korpu Obrada
| Karakteristika | Vrednost |
|---|---|
| Kategorija | Delovi električnih uređaja - usisivači |
| Tezina | 583 |
| Brend | Villager |
1.872,00 RSD
Ušteda:
0,00
RSD
Dodajte u korpu Obrada
| Karakteristika | Vrednost |
|---|---|
| Kategorija | Delovi trimera |
| Tezina | 1000 |
| Brend | Villager |
195,00 RSD
Ušteda:
0,00
RSD
Dodajte u korpu Obrada
| Karakteristika | Vrednost |
|---|---|
| Kategorija | Baštenski alati - sajle |
| Tezina | 154 |
| Brend | Villager |
2.106,00 RSD
Ušteda:
0,00
RSD
Dodajte u korpu Obrada
| Karakteristika | Vrednost |
|---|---|
| Kategorija | Delovi električnih uređaja - ubodne testere |
| Tezina | 3 |
| Brend | Villager |
265,00 RSD
Ušteda:
0,00
RSD
Dodajte u korpu Obrada
| Karakteristika | Vrednost |
|---|---|
| Kategorija | Delovi električnih uređaja - ručne kružne testere |
| Tezina | 110 |
| Brend | Villager |
437,00 RSD
Ušteda:
0,00
RSD
Dodajte u korpu Obrada
| Karakteristika | Vrednost |
|---|---|
| Kategorija | Delovi električnih uređaja - ručne kružne testere |
| Tezina | 160 |
| Brend | Villager |
608,00 RSD
Ušteda:
0,00
RSD
Dodajte u korpu Obrada
| Karakteristika | Vrednost |
|---|---|
| Kategorija | Delovi električnih uređaja - ručne kružne testere |
| Tezina | 110 |
| Brend | Villager |
281,00 RSD
Ušteda:
0,00
RSD
Dodajte u korpu Obrada
| Karakteristika | Vrednost |
|---|---|
| Kategorija | Delovi električnih uređaja - ručne kružne testere |
| Tezina | 34 |
| Brend | Villager |
133,00 RSD
Ušteda:
0,00
RSD
Dodajte u korpu Obrada
| Karakteristika | Vrednost |
|---|---|
| Kategorija | Delovi kultivatora |
| Tezina | 1000 |
| Brend | Villager |
466,00 RSD
Ušteda:
0,00
RSD
Dodajte u korpu Obrada
| Karakteristika | Vrednost |
|---|---|
| Kategorija | Delovi električnih uređaja - ručne kružne testere |
| Tezina | 1000 |
| Brend | Villager |
62,00 RSD
Ušteda:
0,00
RSD
Dodajte u korpu Obrada
| Karakteristika | Vrednost |
|---|---|
| Kategorija | Delovi pumpi |
| Tezina | 22 |
| Brend | Villager |
47,00 RSD
Ušteda:
0,00
RSD
Dodajte u korpu Obrada
| Karakteristika | Vrednost |
|---|---|
| Kategorija | Delovi električnih uređaja - ručne kružne testere |
| Tezina | 230 |
| Brend | Villager |
702,00 RSD
Ušteda:
0,00
RSD
Dodajte u korpu Obrada
| Karakteristika | Vrednost |
|---|---|
| Kategorija | Delovi električnih uređaja - agregati |
| Tezina | 1690 |
| Brend | Villager |
4.524,00 RSD
Ušteda:
0,00
RSD
Dodajte u korpu Obrada
| Karakteristika | Vrednost |
|---|---|
| Kategorija | Delovi električnih uređaja - agregati |
| Tezina | 46 |
| Brend | Villager |
858,00 RSD
Ušteda:
0,00
RSD
Dodajte u korpu Obrada
| Karakteristika | Vrednost |
|---|---|
| Kategorija | Delovi električnih uređaja - agregati |
| Tezina | 7 |
| Brend | Villager |
234,00 RSD
Ušteda:
0,00
RSD
Dodajte u korpu Obrada
| Karakteristika | Vrednost |
|---|---|
| Kategorija | Delovi električnih uređaja - agregati |
| Tezina | 1000 |
| Brend | Villager |
312,00 RSD
Ušteda:
0,00
RSD
Dodajte u korpu Obrada
| Karakteristika | Vrednost |
|---|---|
| Kategorija | Delovi električnih uređaja - agregati |
| Tezina | 1024 |
| Brend | Villager |
2.736,00 RSD
Ušteda:
0,00
RSD
Dodajte u korpu Obrada
| Karakteristika | Vrednost |
|---|---|
| Kategorija | Delovi električnih uređaja - agregati |
| Tezina | 1000 |
| Brend | Villager |
702,00 RSD
Ušteda:
0,00
RSD
Dodajte u korpu Obrada
| Karakteristika | Vrednost |
|---|---|
| Kategorija | Delovi električnih uređaja - agregati |
| Tezina | 8 |
| Brend | Villager |
920,00 RSD
Ušteda:
0,00
RSD
Dodajte u korpu Obrada
| Karakteristika | Vrednost |
|---|---|
| Kategorija | Delovi električnih uređaja - agregati |
| Tezina | 13 |
| Brend | Villager |
117,00 RSD
Ušteda:
0,00
RSD
Dodajte u korpu Obrada
| Karakteristika | Vrednost |
|---|---|
| Kategorija | Delovi električnih uređaja - agregati |
| Tezina | 1 |
| Brend | Villager |
39,00 RSD
Ušteda:
0,00
RSD
Dodajte u korpu Obrada
| Karakteristika | Vrednost |
|---|---|
| Kategorija | Delovi električnih uređaja - agregati |
| Tezina | 84 |
| Brend | Villager |
936,00 RSD
Ušteda:
0,00
RSD
Dodajte u korpu Obrada
| Karakteristika | Vrednost |
|---|---|
| Kategorija | Delovi električnih uređaja - agregati |
| Tezina | 12 |
| Brend | Villager |
117,00 RSD
Ušteda:
0,00
RSD
Dodajte u korpu Obrada
| Karakteristika | Vrednost |
|---|---|
| Kategorija | Delovi električnih uređaja - agregati |
| Tezina | 298 |
| Brend | Villager |
1.402,00 RSD
Ušteda:
0,00
RSD
Dodajte u korpu Obrada
| Karakteristika | Vrednost |
|---|---|
| Kategorija | Delovi električnih uređaja - agregati |
| Tezina | 3 |
| Brend | Villager |
203,00 RSD
Ušteda:
0,00
RSD
Dodajte u korpu Obrada
| Karakteristika | Vrednost |
|---|---|
| Kategorija | Delovi električnih uređaja - agregati |
| Tezina | 1000 |
| Brend | Villager |
2.340,00 RSD
Ušteda:
0,00
RSD
Dodajte u korpu Obrada
| Karakteristika | Vrednost |
|---|---|
| Kategorija | Delovi električnih uređaja - agregati |
| Tezina | 8 |
| Brend | Villager |
125,00 RSD
Ušteda:
0,00
RSD
Dodajte u korpu Obrada
| Karakteristika | Vrednost |
|---|---|
| Kategorija | Delovi električnih uređaja - agregati |
| Tezina | 5 |
| Brend | Villager |
234,00 RSD
Ušteda:
0,00
RSD
Dodajte u korpu Obrada
| Karakteristika | Vrednost |
|---|---|
| Kategorija | Delovi električnih uređaja - agregati |
| Tezina | 544 |
| Brend | Villager |
2.340,00 RSD
Ušteda:
0,00
RSD
Dodajte u korpu Obrada
| Karakteristika | Vrednost |
|---|---|
| Kategorija | Delovi 4T motora - dihtunzi |
| Tezina | 7 |
| Brend | Villager |
203,00 RSD
Ušteda:
0,00
RSD
Dodajte u korpu Obrada
| Karakteristika | Vrednost |
|---|---|
| Kategorija | Delovi 4T motora - dihtunzi |
| Tezina | 1 |
| Brend | Villager |
133,00 RSD
Ušteda:
0,00
RSD
Dodajte u korpu Obrada
| Karakteristika | Vrednost |
|---|---|
| Kategorija | Filteri - za gorivo |
| Tezina | 2 |
| Brend | Villager |
187,00 RSD
Ušteda:
0,00
RSD
Dodajte u korpu Obrada
| Karakteristika | Vrednost |
|---|---|
| Kategorija | Filteri - za gorivo |
| Tezina | 2 |
| Brend | Villager |
187,00 RSD
Ušteda:
0,00
RSD
Dodajte u korpu Obrada
| Karakteristika | Vrednost |
|---|---|
| Kategorija | Delovi 4T motora - ostalo |
| Tezina | 4 |
| Brend | Villager |
86,00 RSD
Ušteda:
0,00
RSD
Dodajte u korpu Obrada
| Karakteristika | Vrednost |
|---|---|
| Kategorija | Delovi 4T motora - ostalo |
| Tezina | 4 |
| Brend | Villager |
86,00 RSD
Ušteda:
0,00
RSD
Dodajte u korpu Obrada
| Karakteristika | Vrednost |
|---|---|
| Kategorija | Delovi 4T motora - ostalo |
| Tezina | 4 |
| Brend | Villager |
86,00 RSD
Ušteda:
0,00
RSD
Dodajte u korpu Obrada
| Karakteristika | Vrednost |
|---|---|
| Kategorija | Delovi 4T motora - ostalo |
| Tezina | 4 |
| Brend | Villager |
86,00 RSD
Ušteda:
0,00
RSD
Dodajte u korpu Obrada
| Karakteristika | Vrednost |
|---|---|
| Kategorija | Delovi 4T motora - ostalo |
| Tezina | 8 |
| Brend | Villager |
312,00 RSD
Ušteda:
0,00
RSD
Dodajte u korpu Obrada
| Karakteristika | Vrednost |
|---|---|
| Kategorija | Delovi 4T motora - ostalo |
| Tezina | 8 |
| Brend | Villager |
312,00 RSD
Ušteda:
0,00
RSD
Dodajte u korpu Obrada